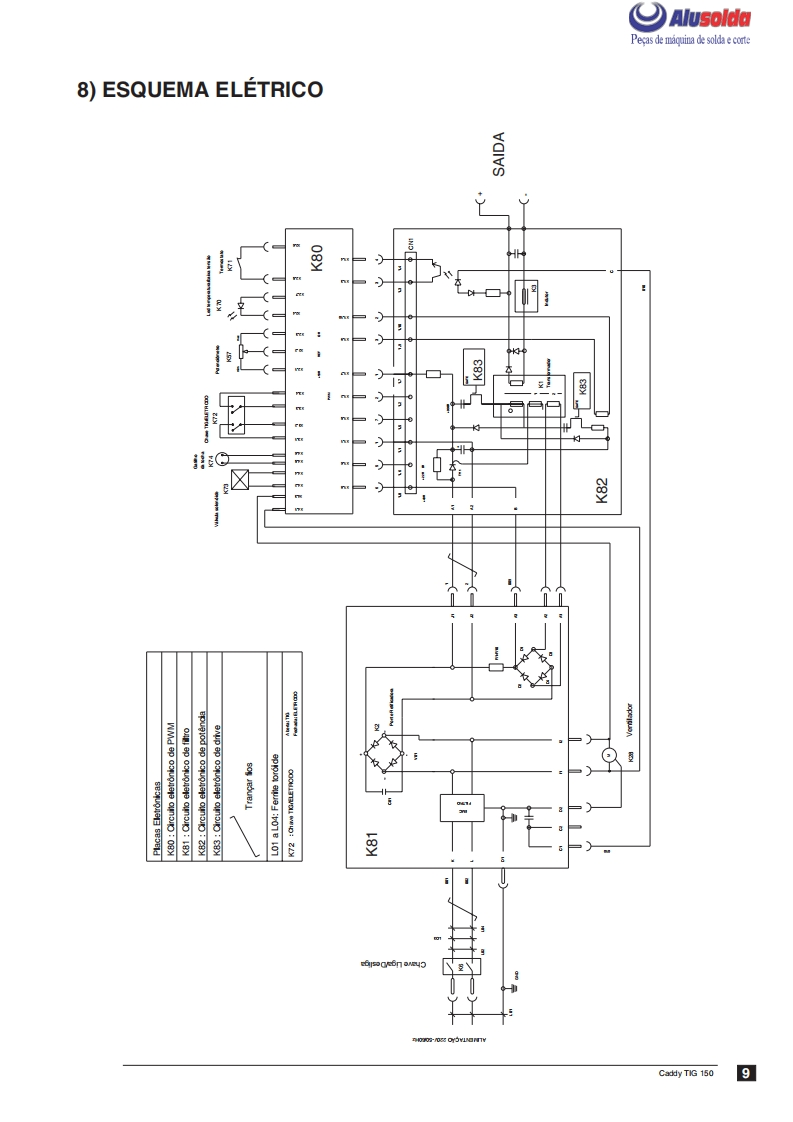
ESAB_CADDY_TIG_150操作手册含电器原理图找手册网25天前发布关注私信1.62MB16页022ESAB_CADDY_TIG_150操作手册含电器原理图此内容为付费资源,请付费后查看¥19¥21黄金会员免费钻石会员免费登录购买付费资源 第1页 / 共16页 第2页 / 共16页 第3页 / 共16页 第4页 / 共16页 第5页 / 共16页 第6页 / 共16页 第7页 / 共16页 第8页 / 共16页 第9页 / 共16页 第10页 / 共16页 试读已结束,还剩6页,您可下载完整版后进行离线阅读 THE ENDESAB焊机/林肯焊机 文本预览 争口AlusoldaESABCaddy TIG 150Fonte de Energia para Solda TIGe com Eletrodos RevestidosManual de InstrucoesCa地mRef.:Caddy TIG 1500400450Caddy TIG 150 com tocha0400590 查看更多 收起部分 喜欢就支持一下吧收藏
请登录后查看评论内容