

第1页 / 共24页

第2页 / 共24页

第3页 / 共24页

第4页 / 共24页

第5页 / 共24页

第6页 / 共24页

第7页 / 共24页

第8页 / 共24页

第9页 / 共24页

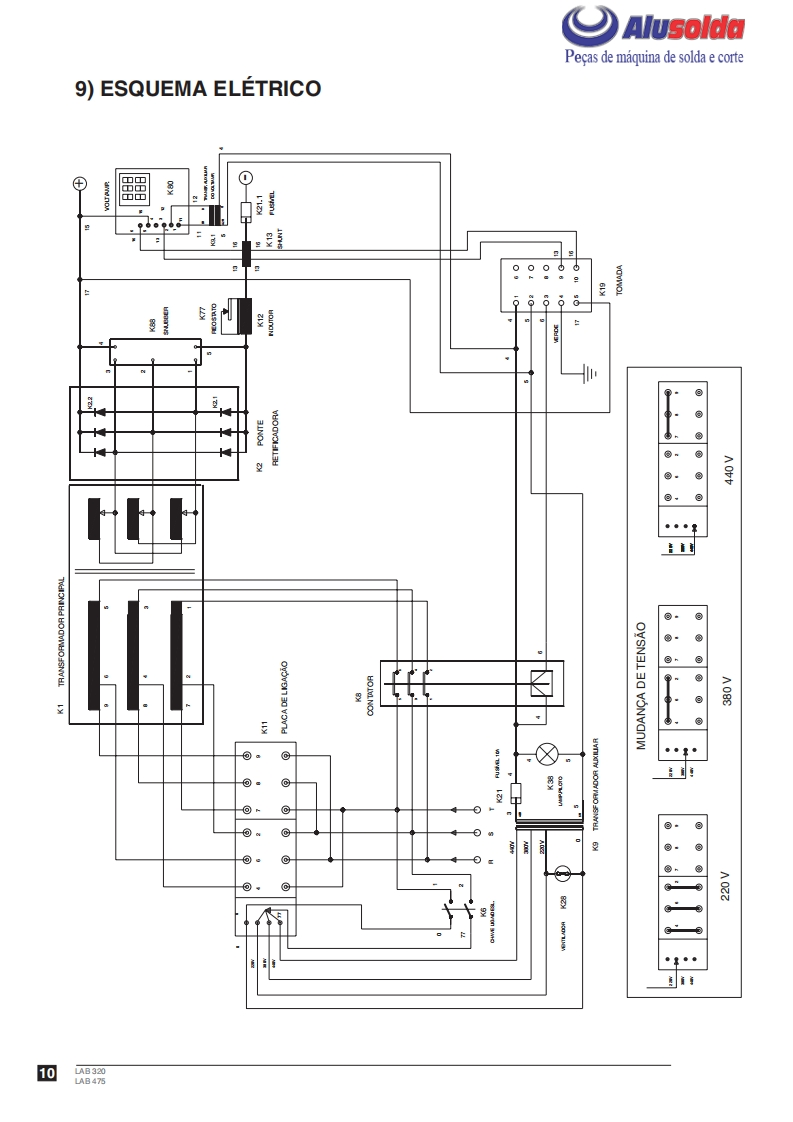
第10页 / 共24页
试读已结束,还剩14页,您可下载完整版后进行离线阅读
THE END
只AlusoldoESABLAB 320LAB 475Fontes de energia de tensao constanteManual de InstrucoesESABLAB 320ESABESABLAB475ESABREF.:LAB 320 Tensao de comando 42 V0400042LAB 320 Tensao de comando 110 V0400095LAB 475 Tensao de comando 42 V0400032LAB 475 Tensao de comando 110V0400020
请登录后查看评论内容