Albrecht_AE67H_Schematic电器原理图手册

Albrecht_AE67H_Schematic电器原理图手册-找手册网
Albrecht_AE67H_Schematic电器原理图手册
此内容为付费资源,请付费后查看
1921
立即购买
您当前未登录!建议登陆后购买,可保存购买订单
付费资源

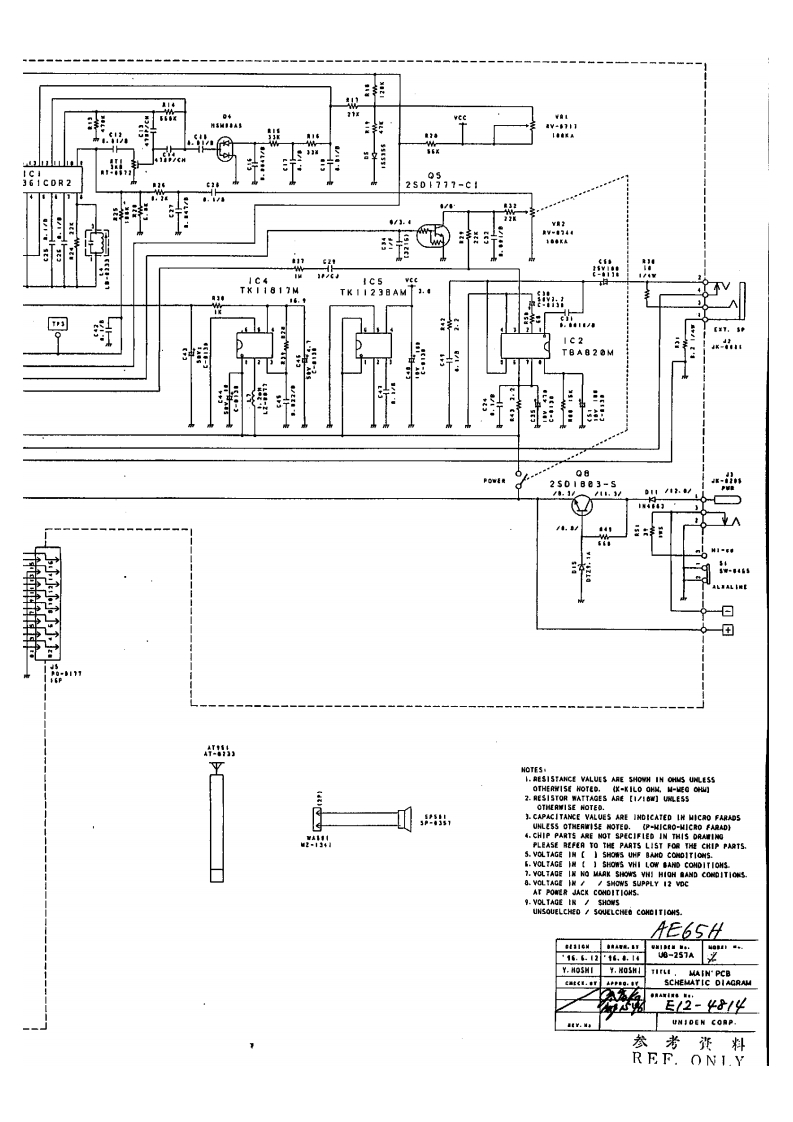
第1页 / 共3页

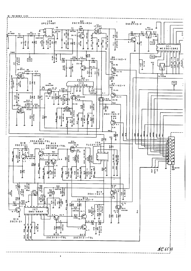
第2页 / 共3页

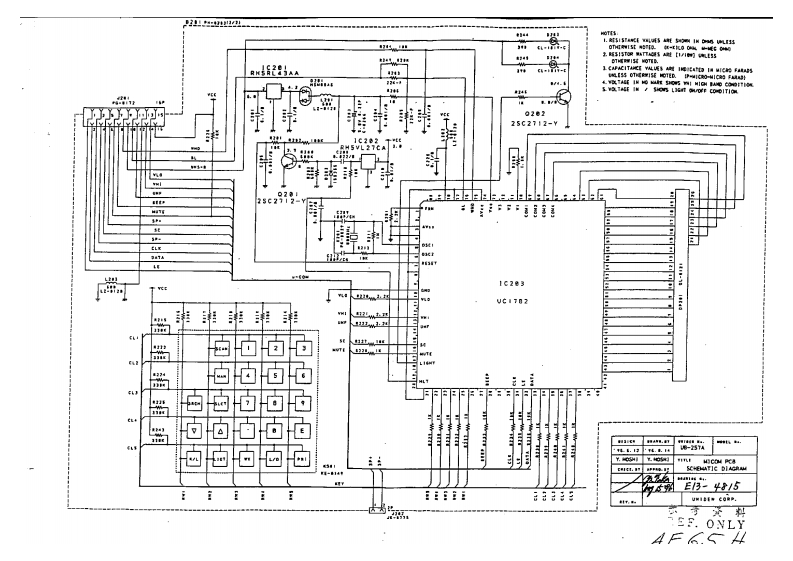
第3页 / 共3页
已完成全部阅读,共3
THE END
21出41升44氧-E(004城g040王6T网T1t/I1t35w号t241TwI装0m康t-e1CITA1降✉电I的的-10w1对F针02e225C2712-¥J下g:FF:3目3目1G223VC I 702西回回飞45522018T当回回色因回回baN古包色卤西卤BA-14EI3-48/5日日日giiii:日u=1i年e0女科5F.ONLY4F64
喜欢就支持一下吧
评论 抢沙发

请登录后发表评论

    请登录后查看评论内容