ESAB_ORIGO_FEED_302_P1__P2__P3操作手册含电器原理图

ESAB_ORIGO_FEED_302_P1__P2__P3操作手册含电器原理图-找手册网
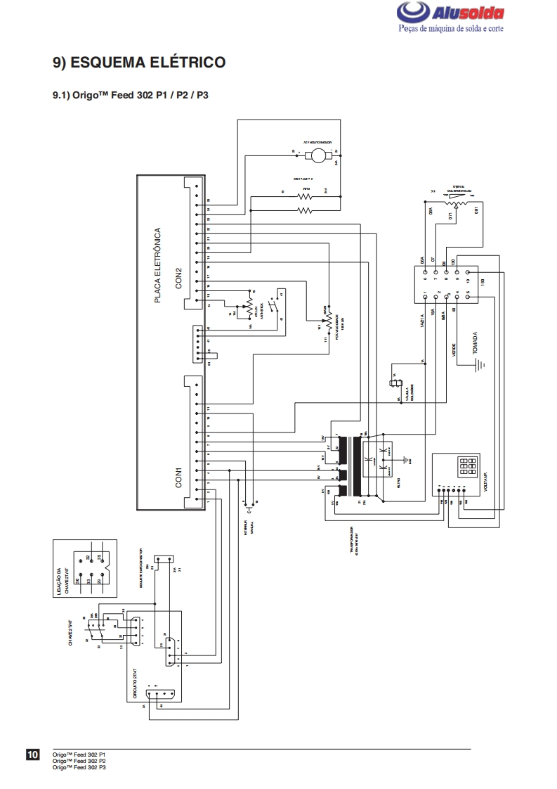
ESAB_ORIGO_FEED_302_P1__P2__P3操作手册含电器原理图
此内容为付费资源,请付费后查看
1921
付费资源

第1页 / 共54页

第2页 / 共54页

第3页 / 共54页

第4页 / 共54页

第5页 / 共54页

第6页 / 共54页

第7页 / 共54页

第8页 / 共54页

第9页 / 共54页

第10页 / 共54页
试读已结束,还剩44页,您可下载完整版后进行离线阅读
THE END
月只AlusoldaESABOrigoTM Feed 302 P1OrigoTM Feed 302 P2OrigoTM Feed 302 P3Alimentador de arameManual de InstrucoesESABRef.:OrigoTM Feed 302 P1 0401413OrigoTM Feed 302 P2 0401412OrigoTM Feed 302 P3 0401411
喜欢就支持一下吧
评论 抢沙发

请登录后发表评论

    请登录后查看评论内容