

第1页 / 共16页

第2页 / 共16页

第3页 / 共16页

第4页 / 共16页

第5页 / 共16页

第6页 / 共16页

第7页 / 共16页

第8页 / 共16页

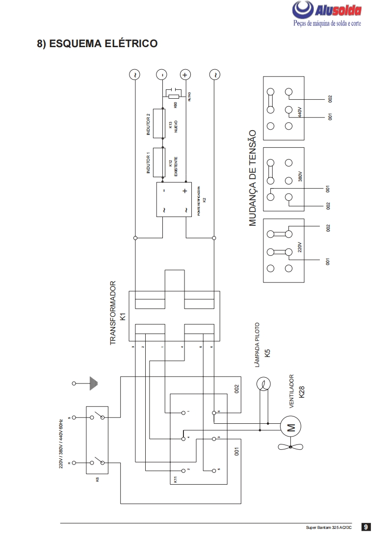
第9页 / 共16页

第10页 / 共16页
试读已结束,还剩6页,您可下载完整版后进行离线阅读
THE END
只飞)AlusoldaESABSuper Bantam 325AC/DFonte de energia para solda comeletrodos revestidos em CorrenteAlternada (AC)e Corrente Continua (DC)Manual de InstrucoesACDCRef:0400322Super Bantam 325 AC/DC com engate rapido0400364Super Bantam 325 AC/DC com borne parafuso
请登录后查看评论内容