

第1页 / 共20页

第2页 / 共20页

第3页 / 共20页

第4页 / 共20页

第5页 / 共20页

第6页 / 共20页

第7页 / 共20页

第8页 / 共20页

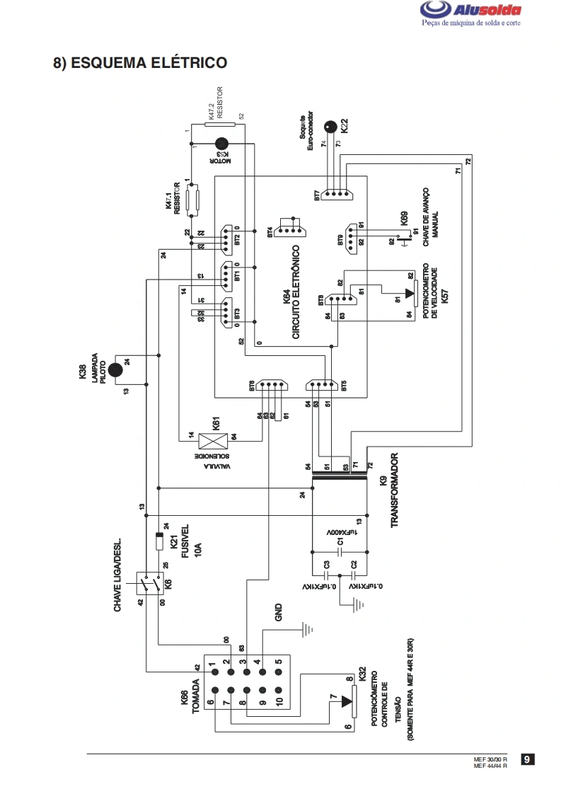
第9页 / 共20页

第10页 / 共20页
试读已结束,还剩10页,您可下载完整版后进行离线阅读
THE END
AlusoldaESABMEF 30/30RMEF 44/44RAlimentadores de arameManual de InstrucoesRef.MEF 30:0400015Ref.MEF30R:0400080Ref.MEF 44:0400036Ref.MEF44R:0400004ESAB se reserva o direito de alterar as caracteristicas tecnicas de seus equipamentos sem previo aviso.
请登录后查看评论内容