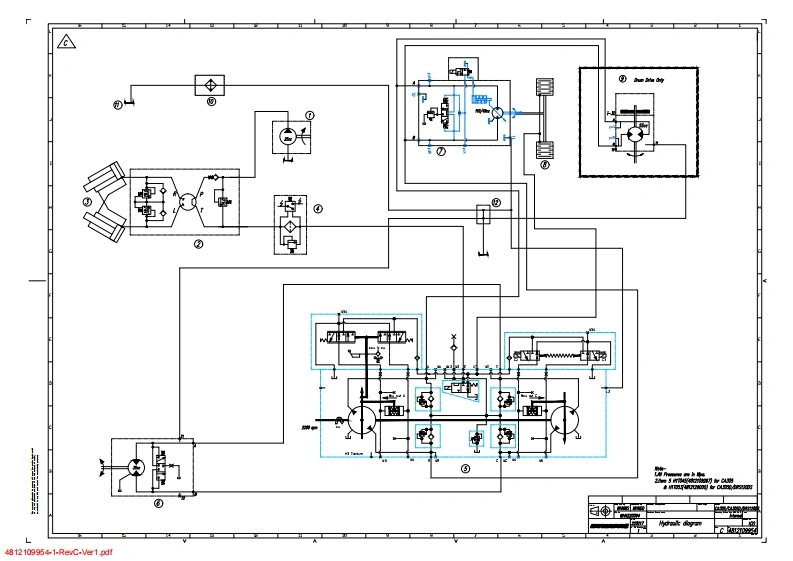
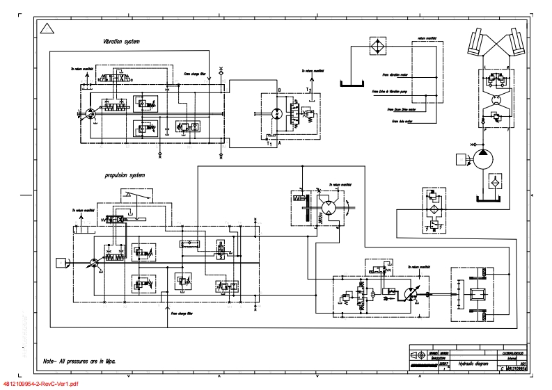
DYNAPAC-ca305-drs120液压原理图找手册网前天发布关注私信0.18MB2页050DYNAPAC-ca305-drs120液压原理图此内容为付费资源,请付费后查看¥29¥31黄金会员免费钻石会员免费立即购买您当前未登录!建议登陆后购买,可保存购买订单付费资源 第1页 / 共2页 第2页 / 共2页 已完成全部阅读,共2页 THE END约翰迪尔/戴纳派克 文本预览 A⑦w0④③☑知的dty48121099541ReC-vs1pd 查看更多 收起部分 喜欢就支持一下吧收藏
请登录后查看评论内容