

第1页 / 共40页

第2页 / 共40页

第3页 / 共40页

第4页 / 共40页

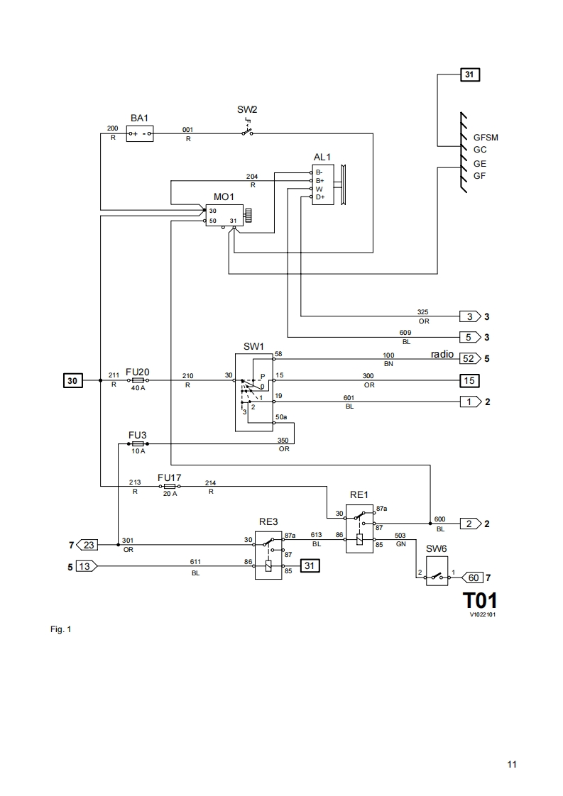
第5页 / 共40页

第6页 / 共40页

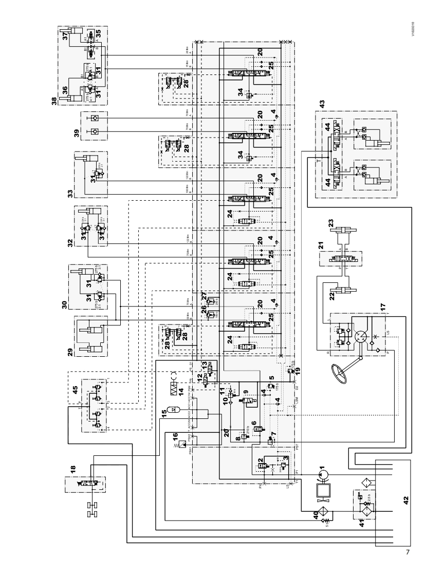
第7页 / 共40页

第8页 / 共40页

第9页 / 共40页

第10页 / 共40页
试读已结束,还剩30页,您可下载完整版后进行离线阅读
THE END
Hydraulic pressure,specificationsFunction at High idleChecking pointsPressureaccording toMPaPSIbarhydraulic diagramServo pressurePS-port3±0.5435±7330±5Ap LS-pressure/Pump pressurePM-LS-port(LS-port2±0.2290±2920±2on manifold)Pump pressure Boom and tilt,PM-port24±0.53480±73240±5upPressure regulator for brakeACC1M-port210.53046±73210±5accumulator,(Max.pressure)Pressure in brake accumulator.ACC1M-port15.0-18.22176-2640150-SE5(Max.pressure)182Pressure in brake accumulator.ACC1M-port14.9-12.82161-1856149-SE5(Min.pressure)128Precharge pressure in brakePort on accumulator4.83±024700±3548.3±2.4accumulator-@70FSteering,pressure limiting valveLS-port15.90.52306±73159±5LSSteering,pressure regulatorPM-port17.52538175Pressure limiting valve for BoomPM-port17.52538175down,Tilt down,Extend andExtra hydraulic outlet,Framelevel5
请登录后查看评论内容