MEC升降车平台6548-SCH维修电气原理图手册

MEC升降车平台6548-SCH维修电气原理图手册-找手册网
MEC升降车平台6548-SCH维修电气原理图手册
此内容为付费资源,请付费后查看
1921
立即购买
您当前未登录!建议登陆后购买,可保存购买订单
付费资源

第1页 / 共4页

第2页 / 共4页

第3页 / 共4页

第4页 / 共4页
已完成全部阅读,共4
THE END
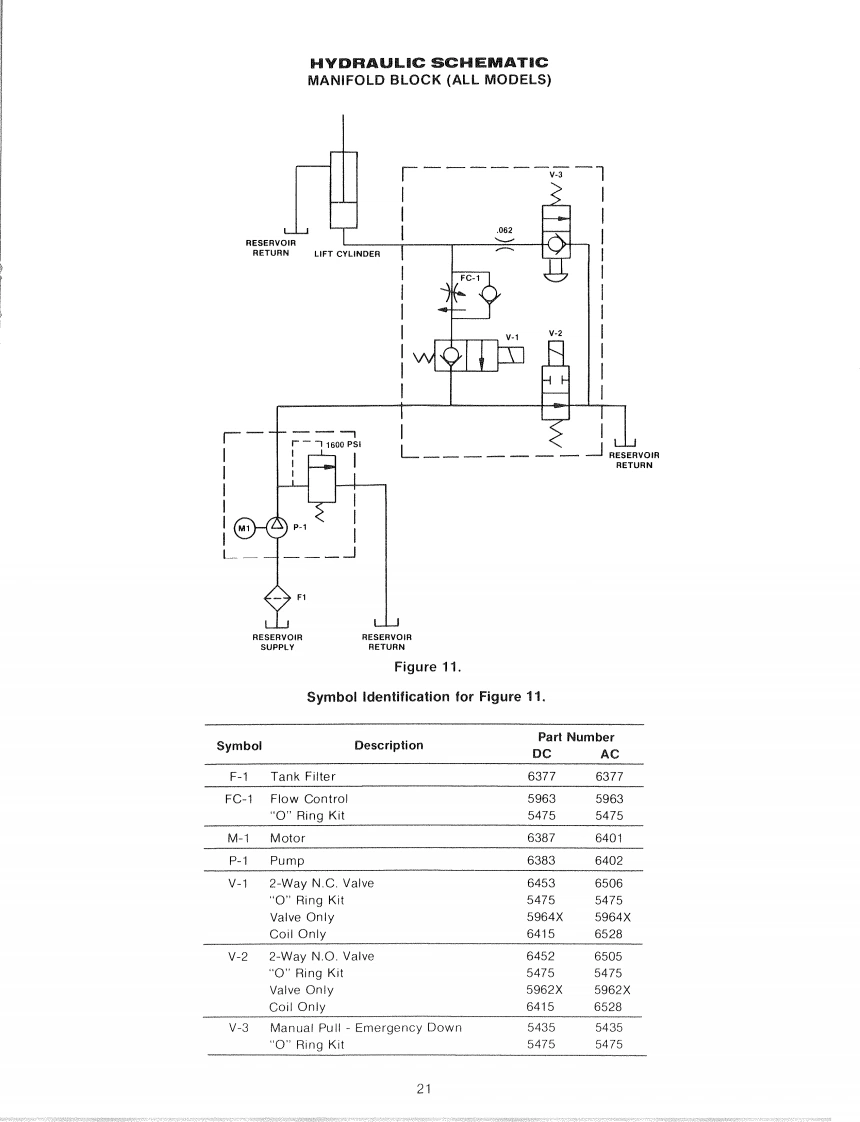
ELECTRICAL WIRING DIAGRAM16DC 12 VOLT24DC 12 VOLT8-212 VOLTDC MOTOR-o UP0S3O DOWND-2CYLINDERUP COILs-4-o DOWNON8-1D-1OFF9F.112VCHARGERH-1NOTE:Switch wiring as seen from rear of switch.Figure 9.Symbol Identification for Figure 9.SymbolDescriptionPart No.F-1Fuse6190D-1Battery Disconnect6468D-2Diode6536H-1Wiring Harness6494K-1Start Solenoid6411S-1Key Switch5936S-2Emergency Stop:Body6665Retainer6666Contactor6667S-3Platform Control5230S-4 Lower Control Switch5230Charger6382Battery639012-Volt DC Motor6387Coils641519
喜欢就支持一下吧
评论 抢沙发

请登录后发表评论

    请登录后查看评论内容