

第1页 / 共11页

第2页 / 共11页

第3页 / 共11页

第4页 / 共11页

第5页 / 共11页

第6页 / 共11页

第7页 / 共11页

第8页 / 共11页

第9页 / 共11页

第10页 / 共11页
试读已结束,还剩1页,您可下载完整版后进行离线阅读
THE END
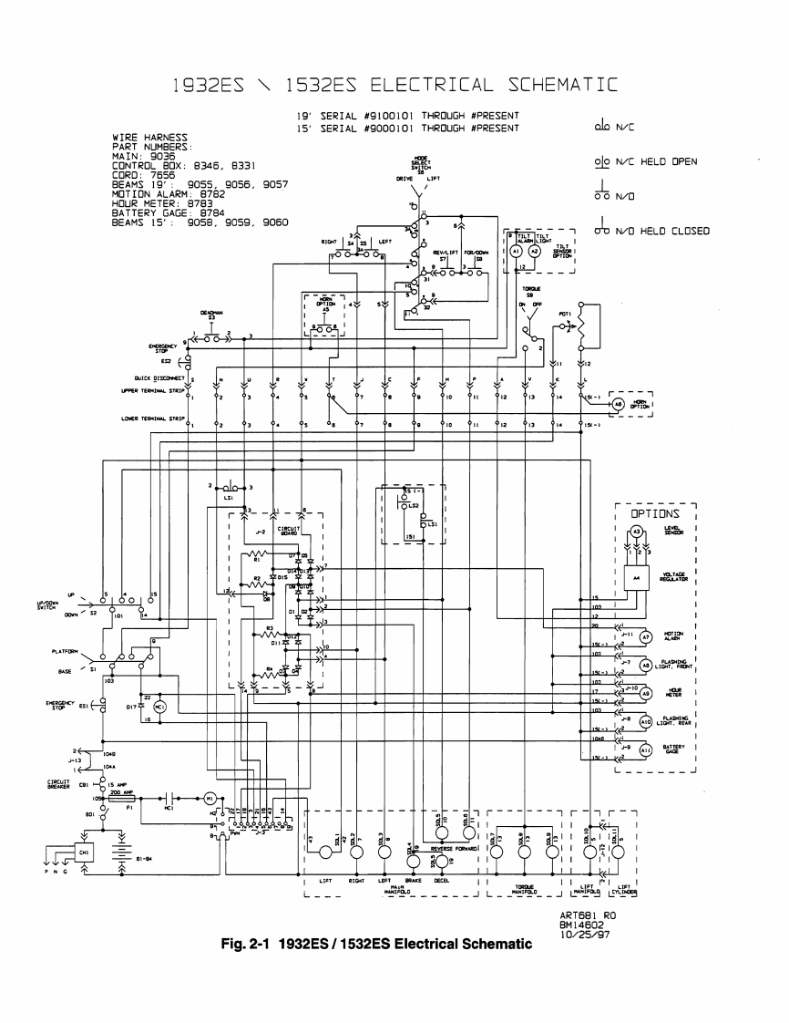
1932ES八1532ESELECTRICAL SSCHEMATIC19'SERIAL #9100101 THROUGH MPRESENT15SERIAL #9000101 THROUGH HPRESENTalo NCWIRE HARNESSPART NUMBERSMA IN:9036C0NTR0LB0X:8346,8331O N/C HELD OPENC0RD:7656BEAM519°:9055.9056.9057aNe是a782OO N/OMETER:8783BATTERY GAGE:87848EAM515':9058,9059,9060O N/D HELO CLOSED"器v《6●OPTIONS51墙281825悲:ART681 ROBM1460210/2597Fig.2-1 1932ES /1532ES Electrical Schematic
请登录后查看评论内容