MEC升降车平台90162-SCH维修电气原理图手册

MEC升降车平台90162-SCH维修电气原理图手册-找手册网
MEC升降车平台90162-SCH维修电气原理图手册
此内容为付费资源,请付费后查看
1921
立即购买
您当前未登录!建议登陆后购买,可保存购买订单
付费资源

第1页 / 共8页

第2页 / 共8页

第3页 / 共8页

第4页 / 共8页

第5页 / 共8页

第6页 / 共8页

第7页 / 共8页

第8页 / 共8页
已完成全部阅读,共8
THE END
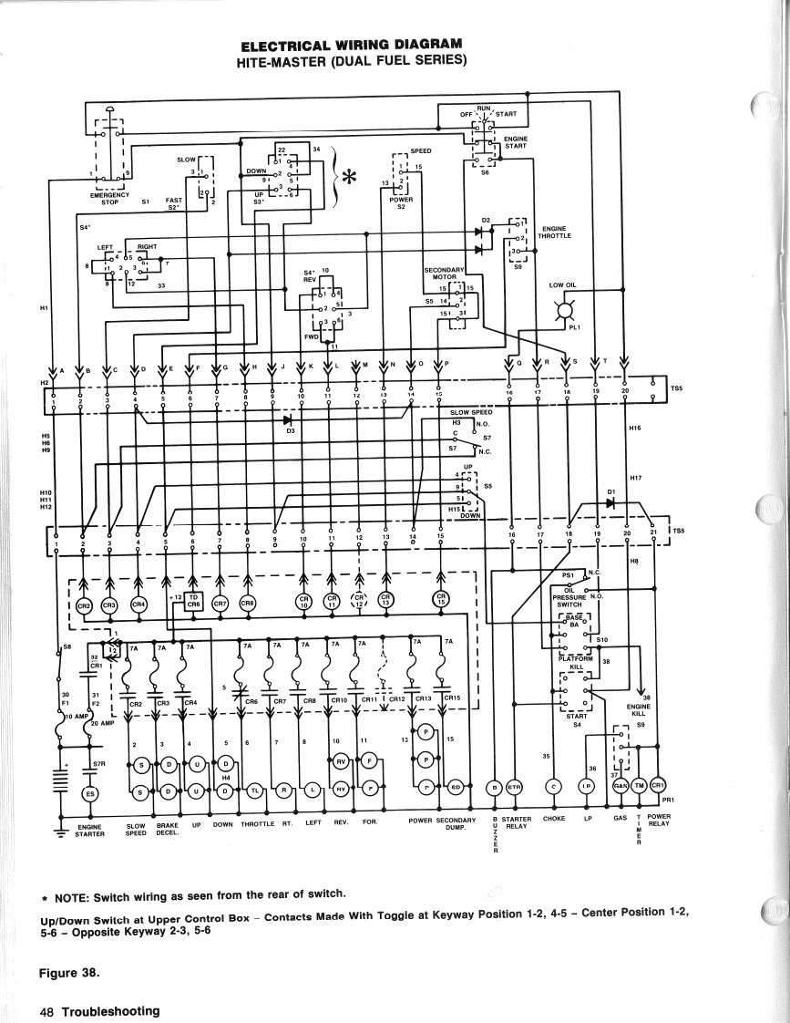
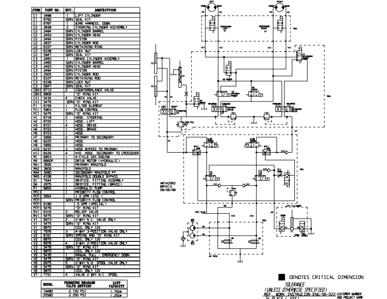
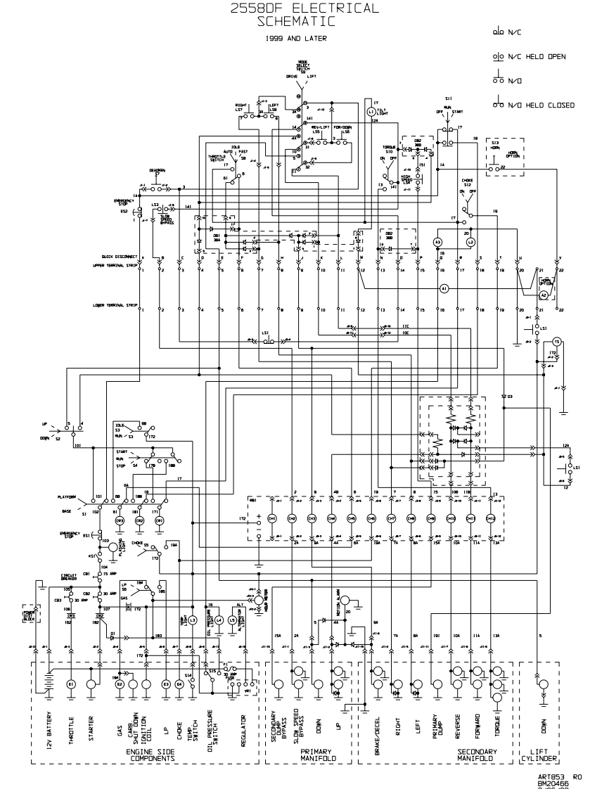
mec9021 Relay Board(new style)Aerial Work PlatformsWhen replacing(p/n 9021)circuit board on Quadrex 25/33 RT series or 3072 series or 2558DF(Kawasaki eng),it will be necessary to pull jumper J1(note 1 on diagram).Jumper J1 programsthe throttle and choke control circuits.Leave jumper in place for 2558D w/Kohler engine only.NOTE:J1 is very small,use needle-nosed pliers to pull it from the board.01020340708090100110120000°0°;0°;0°;0°;00OUTPUT PLUG3回6可1SEE NOTE #26⊙o回49⊙⊙o712⊙⊙@1000990090001SEE NOTE #1-INPUT PLUG1 ooooooo 78000000014T81For diagnostic purposes,the chart below lists the input and output terminals,and LED forthe respective function.Match the column on the chart with your specific model.INPUTLEDOUTPUTFUNCTIONFUNCTIONFUNCTIONFUNCTIONFUNCTION25,33RT25,33SRT30722558D2558DF111UpNot usedUp to 9200486-StartNot usedNot usedFrom 9200487-Not used22DownSlow SpeedSlowSlowSlow333Bypass-DecelBrake-DecelDecel -Pri.DumpBrake-Brake-DecelDecel444TorqueUpUpUpUp555ThrottleNot usedThrottleNot usedThrottle666ChokeThrottleChokeThrottleChokePre-heat(diesel)Pre-heat(diesel)77ForwardRightRightRightRight888ReverseLeftLeftLeftLeft999Steer LeftSec.DumpSec.DumpSec.DumpSec.Dump101010Steer RightReverseReverseReverseReverse111111Steer BypassForwardForwardForwardForward121212A.C.GeneratorTorqueTorqueTorqueTorque(opt)P/N 90698 inst
喜欢就支持一下吧
评论 抢沙发

请登录后发表评论

    请登录后查看评论内容