

第1页 / 共15页

第2页 / 共15页

第3页 / 共15页

第4页 / 共15页

第5页 / 共15页

第6页 / 共15页

第7页 / 共15页

第8页 / 共15页

第9页 / 共15页

第10页 / 共15页
试读已结束,还剩5页,您可下载完整版后进行离线阅读
THE END
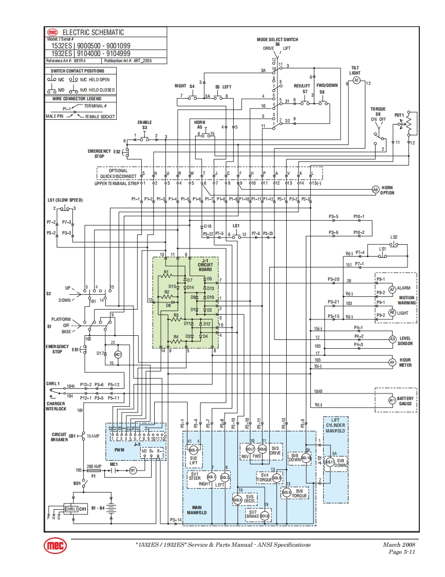
ELECTRIC SCHEMATICSNOTES:(Unless otherwise specified)1.Switch S1 BASE/PLATFORM makes contact from the CENTER to the LEFT positionwhen placed in BASE.2.Switch S2 UP/DOWN makes contact from the CENTER to the LEFT position when theswitch is held in the CONTACT position and automatically returns to the CENTER positionwhen released.3.Switch LS1 opens the N/C set of contacts and closes the N/O set of contacts when theplatform reaches approximately 7 feet.4.Switch LS2 closes the N/C set of contacts when the Pothole Bars are down and locked inplace.S2S1要落0(mec)ILLUSTRATION NoART_2236LS1LS2dILLUSTRATION No.ART_2243mec1532ES 1932ES"Service Parts Manual-ANSI SpecificationsMarch 2008Page 59
请登录后查看评论内容