

第1页 / 共11页

第2页 / 共11页

第3页 / 共11页

第4页 / 共11页

第5页 / 共11页

第6页 / 共11页

第7页 / 共11页

第8页 / 共11页

第9页 / 共11页

第10页 / 共11页
试读已结束,还剩1页,您可下载完整版后进行离线阅读
THE END
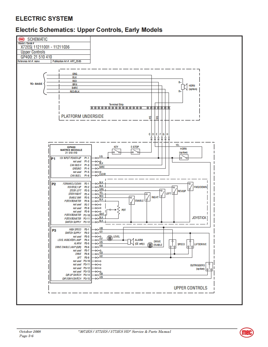
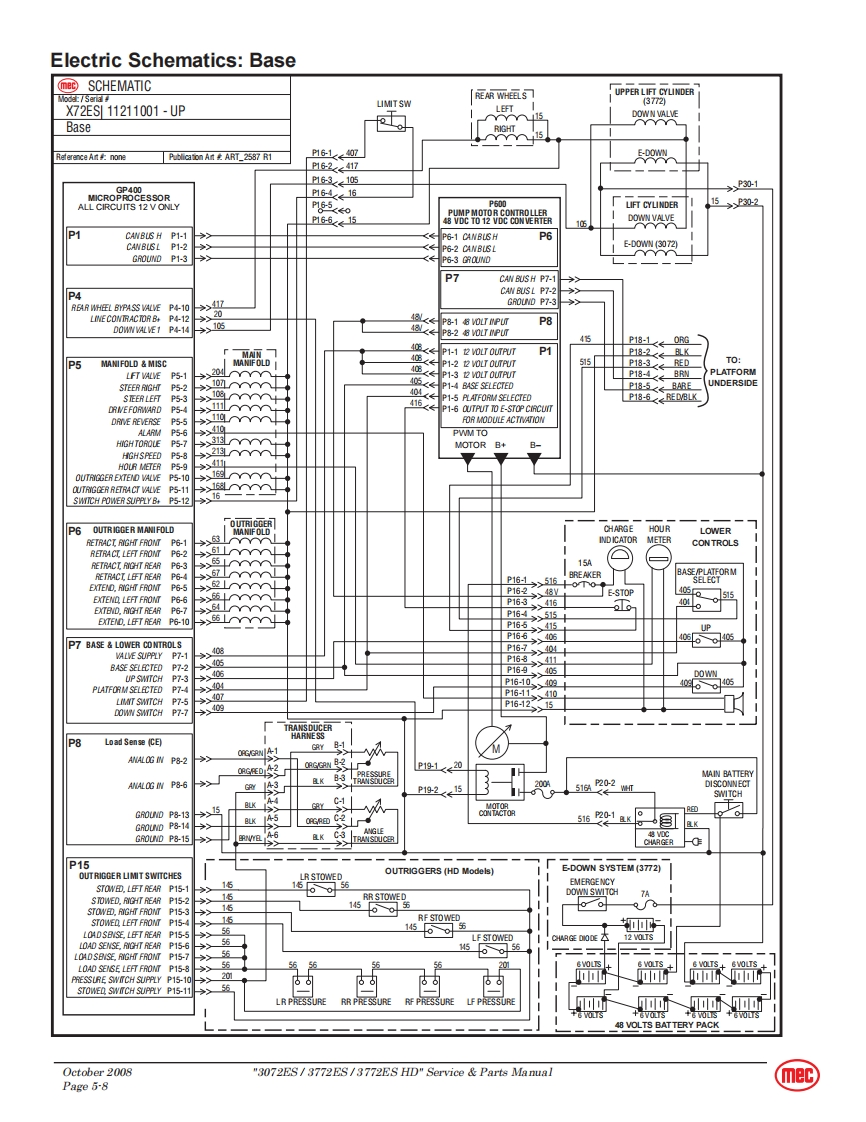
SERVICEmecSECTION 5SCHEMATICSHydraulic Schematic...............5-2Main Hydraulic Manifold.........5-4Main Relief Hydraulic Manifold.......5-5Optional Outriggers Hydraulic Manifold5-5Electric System5-6Electric Schematics:Upper Controls,Early Models....................5-6Electric Schematics:Upper Controls,Current Models..........................5-7Electric Schematics:Base.5-8P600 Motor Control Module................…5-9GP400 Matrix Module.…5-10Matrix Module Controller................5-11mec"3072ES/3772ES /3772ES HD Service Parts ManualOctober 2008Page 5-1
请登录后查看评论内容