

第1页 / 共44页

第2页 / 共44页

第3页 / 共44页

第4页 / 共44页

第5页 / 共44页

第6页 / 共44页

第7页 / 共44页

第8页 / 共44页

第9页 / 共44页

第10页 / 共44页
试读已结束,还剩34页,您可下载完整版后进行离线阅读
THE END
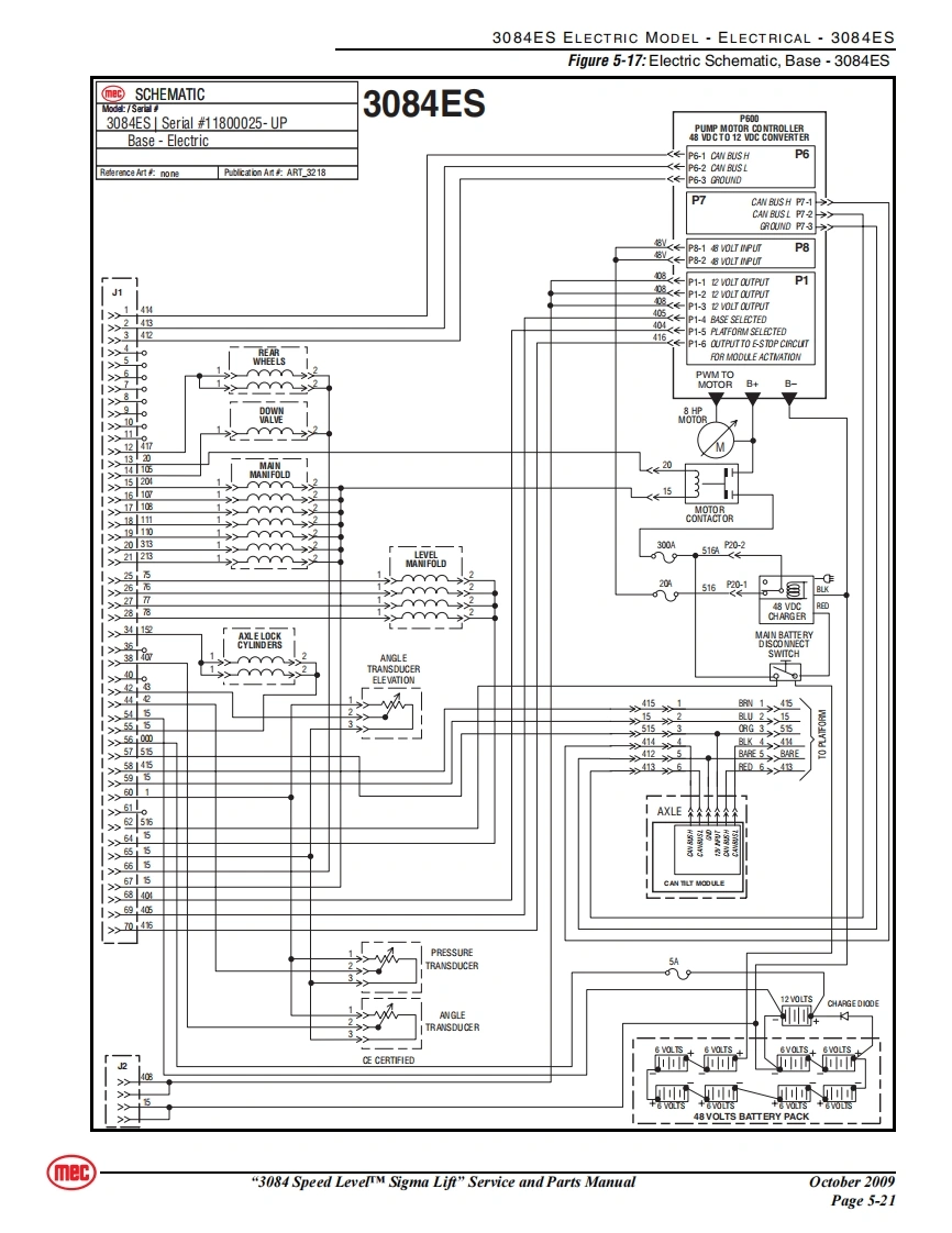
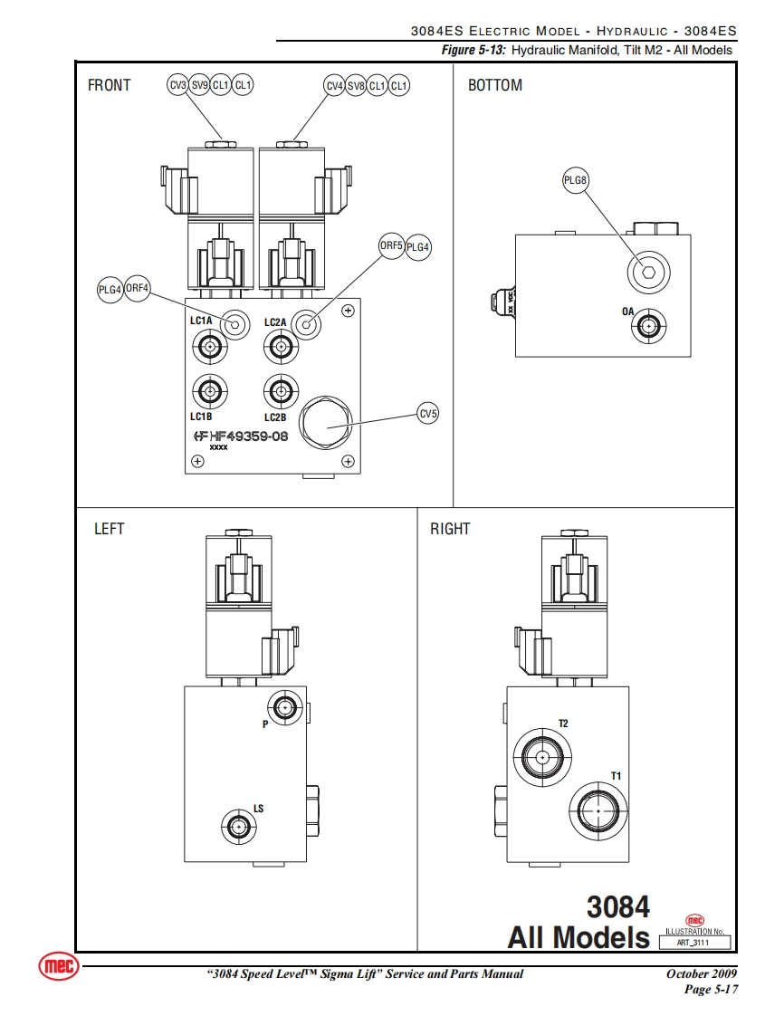
3084 ES ELECTRIC MODEL·HYDRAULIC·3084ES3084ES ELECTRIC MODELHYDRAULIC -3084ESThe following table applies to Figure 5-11,Figure 5-12 and Figure 5-13.CalloutDescriptionCallout DescriptionMA-1MAIN MANIFOLDSTEERING COMPONENTSCBV1Counter Balance Valve,DriveCYL1Steer Cylinder,RightCBV2Counter Balance Valve,DriveCYL2Steer Cylinder,LeftCL1Coil Speed/Torque/Steer #8TILT COMPONENTSCL2Coil Lift Valve #10MA-2Combination Valve Manifold-TiltCL3Coil -ProportionalCV3Check Valve,Tilt,Side/Side Load SenseCP1Cavity Plug,StoppedCV4Check Valve,Tilt,Front/Rear Load SenseCV1Check Valve,Load Sense SteerCV5Check Valve,10PSI Oscillating AxleEC1Priority Flow ControlCV6Check Valve,Tilt Cyl,Front/RearEP1Piloted Poppet Valve-Torque/SpeedCV7Check Valve,Tilt Cyl,Front/RearEP2Piloted Poppet Valve -Torque/SpeedCV8Check Valve,Tilt Cyl,Side/SideFD1Flow Divider/CombinerCV9Check Valve,Tilt Cyl,Side/SideFD2Flow Divider/CombinerCYL4Tilt Cylinder,Front/RearHP1Hand Pump,Brake ReleaseCYL5Tilt Cylinder,Side/SideLS1Load Sense ShuttleCYL6Axle Lock CylinderMP1Manual Push Brake Release ValveCYL7Axle Lock CylinderOD1Orifice Disc,Brakes,0.035ORF4Orifice,0.040,Tilt,Side/SideOPL1Orifice Plug,Steering,0.087ORF5Orifice,0.040,Tilt,Front/RearOPL2Orifice Plug,Flow Divider Bleed,0.025RV3Relief Valve,Tilt Cyl Front/Rear,2500 PSIOPL3Orifice Plug,Flow Divider Bleed,0.025RV4Relief Valve,Tilt Cyl Front/Rear,2500 PSIOPL4Orifice Plug,StoppedRV5Relief Valve,Tilt Cyl Side/Side,2500 PSTOPL5Orifice Plug,StoppedRV6Relief Valve,Tilt Cyl Side/Side,2500 PSIP01Pilot Valve,Series Parallel,4-Way /3-PositionSV8Spool Valve,Tilt Front/RearPD2Pilot Valve,Series Parallel,4-Way /3-PositionSV9Spool Valve,Tilt Side/SidePD3Pilot Valve,Series Parallel,4-Way /3-PositionLIFT COMPONENTSPLG4Port PlugMA-3Lift Cylinder ManifoldPLG6Port PlugCYL3Lift CylinderRV1Relief Valve,Lift,2500 PSIORF3Orifice,0.067 DescendRV2Relief Valve,Steering,2000 PSISV5Solenoid Valve,12V.Dual CoilRV7Relief Valve,3000 PSI MainWheel MotorsSV1Spool Valve,Lift,3-WayLFWheel Motor-Left FrontSV2Spool Valve,Steer,4-Way /3-PositionLRWheel Motor w/Brake-Left RearSV3Spool Valve,Series Parallel,4-Way /3-PositionRFWheel Motor-Right FrontSV4Spool Valve,Series Parallel,4-Way /3-PositionRRWheel Motor w/Brake-Right RearSVD1Spool Valve,Drive,4-Way/3-PositionSV6Spool Valve-Right Wheel Motor BypassSV7Spool Valve-Left Wheel Motor BypassRESERVOIRFL1Filter,10 Micron,Fluid ReturnP1Pump,Hydraulic FluidOctober 2009"3084 Speed LeveFM Sigma Lift"Service and Parts ManualmecPage 5-14
请登录后查看评论内容