FT-200_参考电器原理图_VK4YKR

FT-200_参考电器原理图_VK4YKR-找手册网
FT-200_参考电器原理图_VK4YKR
此内容为付费资源,请付费后查看
1921
付费资源

第1页 / 共5页

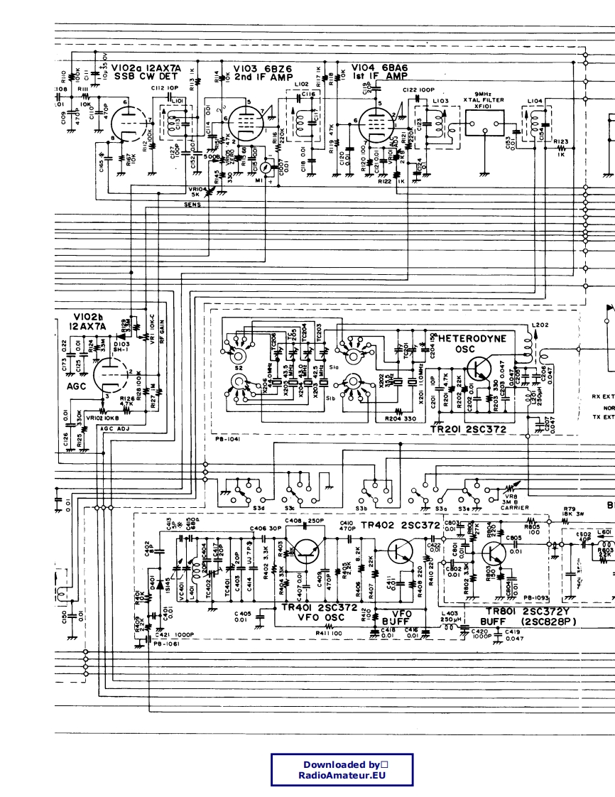
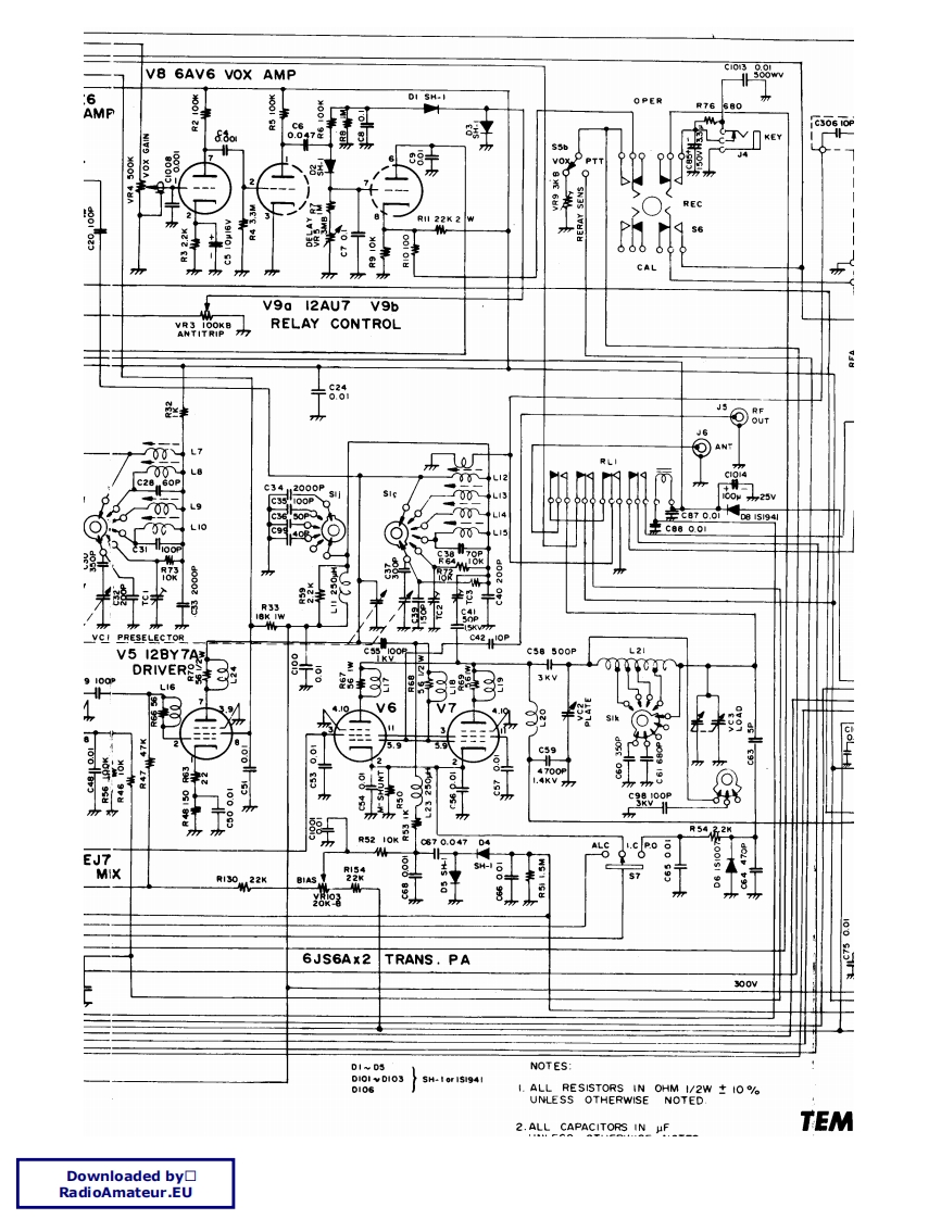
第2页 / 共5页

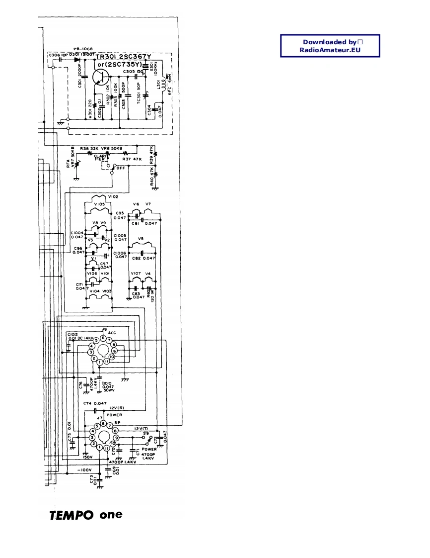
第3页 / 共5页

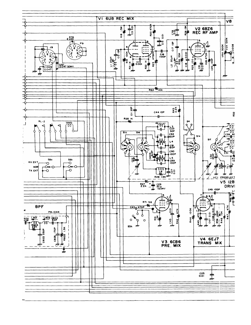
第4页 / 共5页

第5页 / 共5页
已完成全部阅读,共5
THE END
VIOI 6BM8mo DRIV and PA次VI02g_ISSB CWPHONES18c102器RPB-1066B109VOLT REGD5015336R501390链215152AF GAINVR50310K8387V1O6 12AU7CARRIER OSCc1360.01V102bR312w22K12AX7AC5050.0186品品药568R3L州33Kc38贤R6838州土R510I50AGC507VRIO2 IOK BAGC ADJVR50410TONE OSCD7C16400047TUNEcw08OFF7Q83f88688将1035VIO5 12AX7AMICAMP3VI077360BM66Downloaded by▣RadioAmateur.EU
喜欢就支持一下吧
评论 抢沙发

请登录后发表评论

    请登录后查看评论内容