

第1页 / 共13页

第2页 / 共13页

第3页 / 共13页

第4页 / 共13页

第5页 / 共13页

第6页 / 共13页

第7页 / 共13页

第8页 / 共13页

第9页 / 共13页

第10页 / 共13页
试读已结束,还剩3页,您可下载完整版后进行离线阅读
THE END
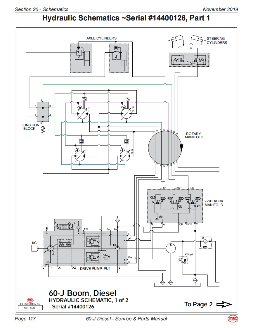
Section 20-SchematicsNovember 2019Hydraulic Schematics ~Serial #14400126,Part 1AXLE CYLINDERSSTEERINGCYLINDERSJUNCTIONBLOCKROTARYMANIFOLD2SPBR①22-SPD/BRKMANIFOLD越VC密000p5DRIVE PUMP PU160-J Boom,DieselgHYDRAULIC SCHEMATIC,1 of 2ILLUSTRATION NoART_4922-Serial#14400126To Page 2Page 11760-J Diesel-Service Parts Manualmec
请登录后查看评论内容