MEC升降车平台94534-SCH-A92.5维修电气原理图手册

MEC升降车平台94534-SCH-A92.5维修电气原理图手册-找手册网
MEC升降车平台94534-SCH-A92.5维修电气原理图手册
此内容为付费资源,请付费后查看
1921
立即购买
您当前未登录!建议登陆后购买,可保存购买订单
付费资源

第1页 / 共8页

第2页 / 共8页

第3页 / 共8页

第4页 / 共8页

第5页 / 共8页

第6页 / 共8页

第7页 / 共8页

第8页 / 共8页
已完成全部阅读,共8
THE END
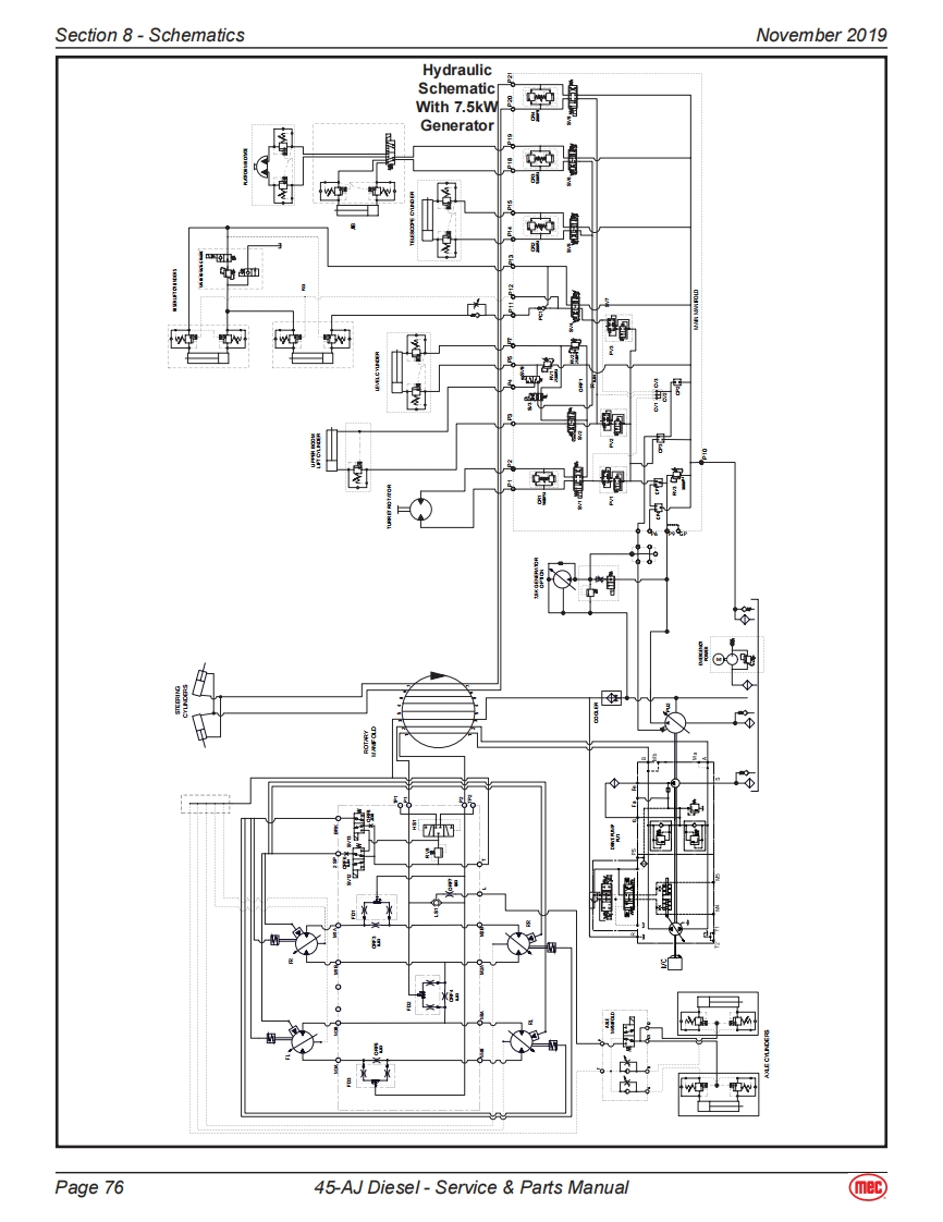
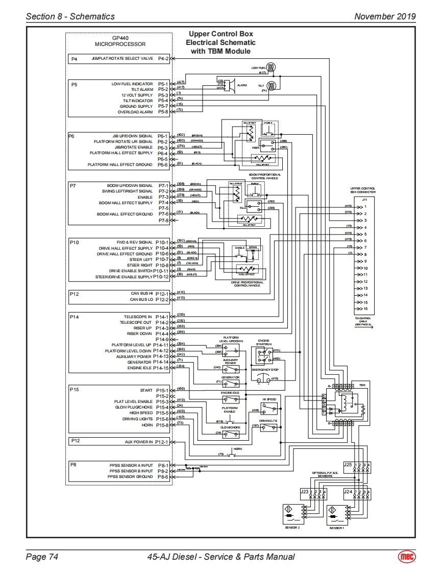
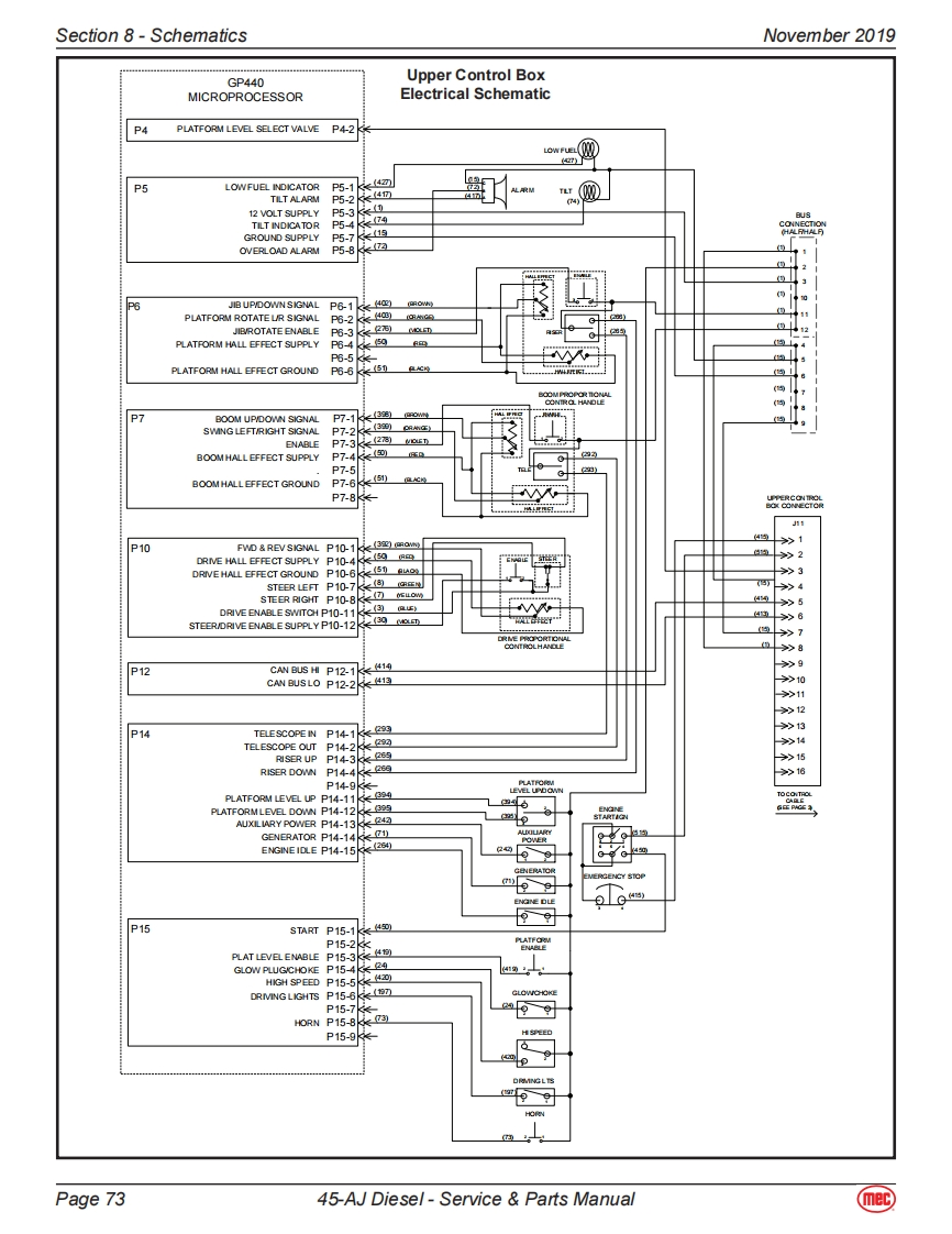
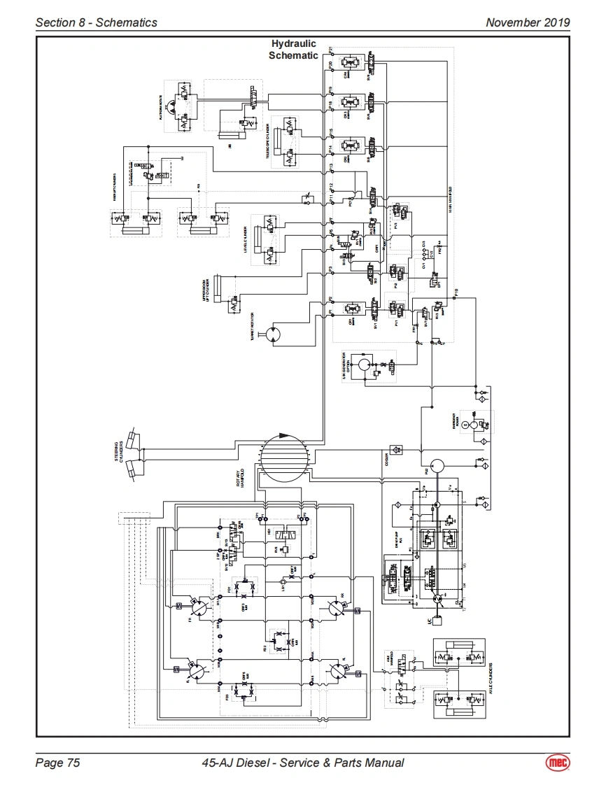
Section 8-SchematicsNovember 2019Lower Control Box1RENT MODULEGP400 MICROPROCESSORElectrical SchematicP1CAN-BUS HIP1-1CA LOC-8J30GBNERATOR P4-1P4EUP&LA灯OT RIGHTP4-4J日O0N&PLATROT LE子TP4-5AnLELOCKSWNG LEFTKCANLOSMING PROPOR TONALUFT UPP5STEER RICHT8e空RLaTALARMTELE EXTENDT日ER白RCTP-12P5-9P6PLATCONTROL VALVEP6-1RSERUPSTARTINHBT UGHTRSERDONP6-5p69HORNP8-2P8-3FUELLEVB S8NS0RP8-7P8-8CURRENT MEASUREP8-9GROUND TOMOOULE P8-14P9Rx P9-1EZCAL DIAGNOSTC8Tx8B+P9-4P7VALVE SUPPLYP7-1KEY SMTCHBASE SBECTP7-2CONTROL BOXBOOM UP SMCHP7-3KEY SMTCHPLAT SBLECTRISER UP SMTOHENGINE STARTP76AS☒RO0 WN SMTCHP7-7RSERUP UMT SMTOHBOOM DOWN SMCH P7-10ELE EEND SMTOH P7-11TELE RETRACT SWITOH P7-12P14JBUPSWITCH P14-1B P14-2RBER DOWNLMIT SMTOH P14-3BOOM RETSWITCHREAR P14-10P15SMING LEFTSWTCH P15-1SMNG RGHT SMCH P15-2PLATLEVELUP SMTCH P15-3GLOWSWTCH P15-4封P15-5PLAT LEVEL DOWN SWITCH P15-6PLAT ROTAERT SMITOH P15-7HIGH SPEED ENABLE SMTO P15-8PLAT ROTATE LEFT SMTOH P15-gBB009TP15-10“T等t图古心Page 7145-AJ Diesel-Service Parts Manual(mec)
喜欢就支持一下吧
评论 抢沙发

请登录后发表评论

    请登录后查看评论内容