

第1页 / 共29页

第2页 / 共29页

第3页 / 共29页

第4页 / 共29页

第5页 / 共29页

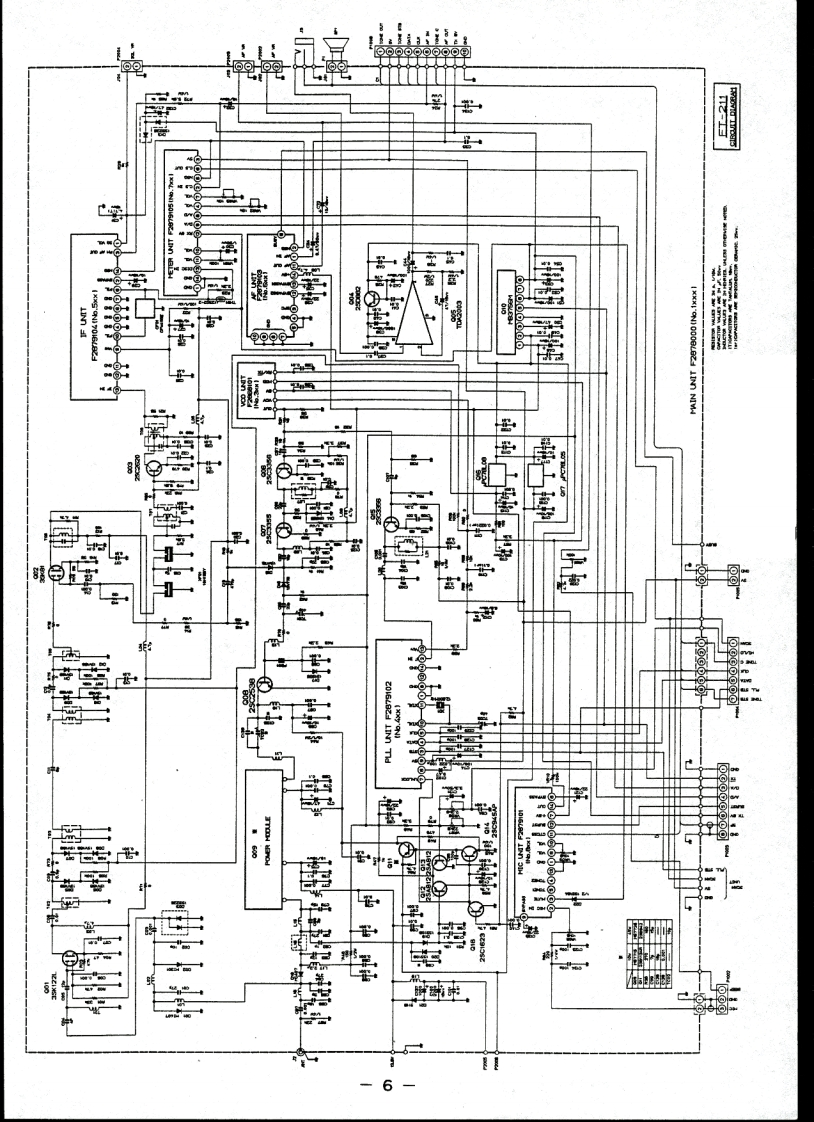
第6页 / 共29页

第7页 / 共29页

第8页 / 共29页

第9页 / 共29页

第10页 / 共29页
试读已结束,还剩19页,您可下载完整版后进行离线阅读
THE END
FT-211RHTECHNICAL SUPPLEMENT等冒留马留Beh.T.HultermansPostbus42285604 EE EindhovenThis booklet contains supplemental technical informationrelated to the FT-211RH for use with the FT-211RHOperating Manual.Service or repairs to the FT-211RHtransceiver should be performed by qualified techniciansonly.YAESU MUSEN CO.,LTD.C.P.O.BOX 1500TOKYO,JAPAN
请登录后查看评论内容