MEC升降车平台96262-SCH-A92.20维修电气原理图手册

MEC升降车平台96262-SCH-A92.20维修电气原理图手册-找手册网
MEC升降车平台96262-SCH-A92.20维修电气原理图手册
此内容为付费资源,请付费后查看
1921
立即购买
您当前未登录!建议登陆后购买,可保存购买订单
付费资源

第1页 / 共6页

第2页 / 共6页

第3页 / 共6页

第4页 / 共6页

第5页 / 共6页

第6页 / 共6页
已完成全部阅读,共6
THE END
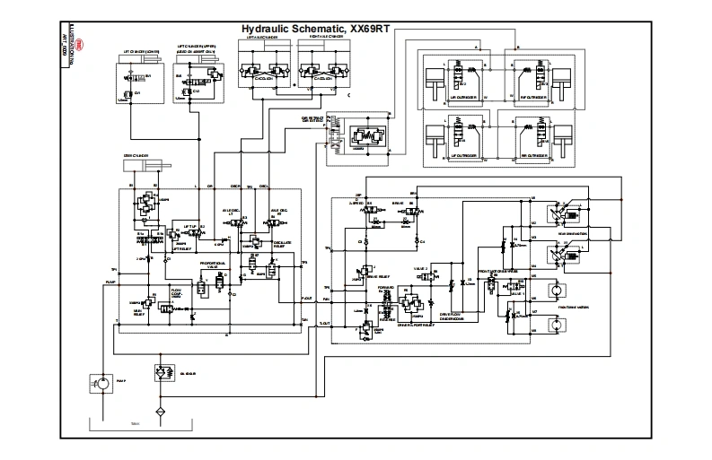
Section 7-SchematicsNovember 2022Drive Manifold,XX69RTm回回函回回☒网O但A-AX3回SECTION D-D网⊙20⊙⊙B同回Bc-c111773第A0网l山tn可因TP4eILLUSTRATION NoB-BART_6008Page 33XX69RT Series-Service Parts Manualmec
喜欢就支持一下吧
评论 抢沙发

请登录后发表评论

    请登录后查看评论内容