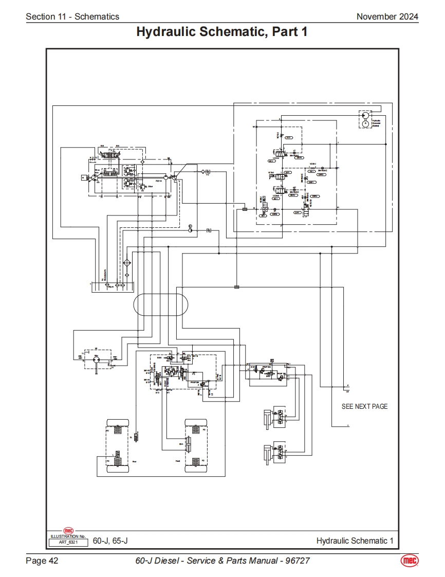
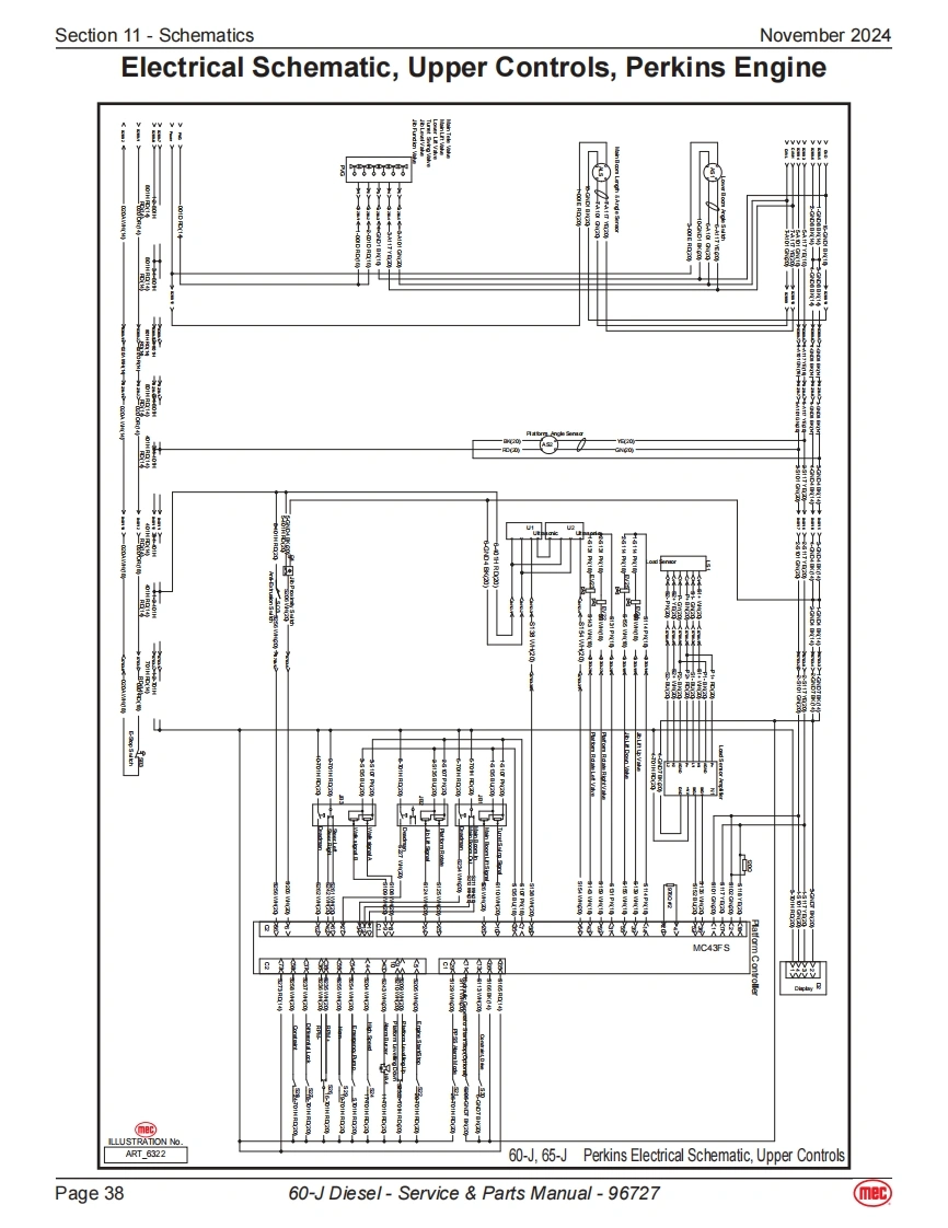
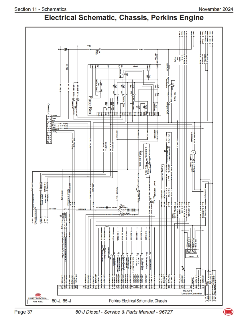
MEC升降车平台96727-SCH维修电气原理图手册找手册网昨天发布关注私信0.60MB8页048MEC升降车平台96727-SCH维修电气原理图手册此内容为付费资源,请付费后查看¥19¥21黄金会员免费钻石会员免费立即购买您当前未登录!建议登陆后购买,可保存购买订单付费资源 第1页 / 共8页 第2页 / 共8页 第3页 / 共8页 第4页 / 共8页 第5页 / 共8页 第6页 / 共8页 第7页 / 共8页 第8页 / 共8页 已完成全部阅读,共8页 THE END利勃海尔/Swift/Mec 文本预览 Section 11-SchematicsNovember 2024Electrical Schematic,Lower Controls,Perkins Engine120回諺■打MC43FS到10AFUS而MILLUSTRATION No.ART_632260-J,65-JPerkins Electrical Schematic,Lower Controls其其其目Page 3660-J Diesel-Service Parts Manual-96727mec 查看更多 收起部分 喜欢就支持一下吧收藏
请登录后查看评论内容