MEC升降车平台97163-SCH维修电气原理图手册

MEC升降车平台97163-SCH维修电气原理图手册-找手册网
MEC升降车平台97163-SCH维修电气原理图手册
此内容为付费资源,请付费后查看
1921
立即购买
您当前未登录!建议登陆后购买,可保存购买订单
付费资源

第1页 / 共3页

第2页 / 共3页

第3页 / 共3页
已完成全部阅读,共3
THE END
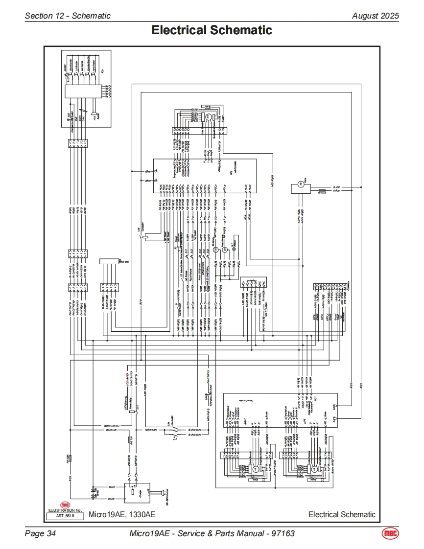
Section 11-Fault CodesAugust 2025Fault CodesThe LED readout screen displays fault codes that provide information about the machineoperating status and about malfunctions.The fault codes listed in the following chartsdescribe malfunctions and can aid in troubleshooting the machine by pinpointing the areaor component affected.List of Fault CodesDisplayDescriptionLift Reaction01 System Initialization FaultSystem Initialization FaultDisables All Motion02 System Communication FaultSystem Communication FaultDisables All Motion03 Invalid Option Setting FaultInvalid Option Setting FaultDisables All Motion04 Calibration IncompleteCalibration IncompleteWarning Only05 Left MC FaultLeft MC FaultDisables All Motion06 Right MC FaultRight MC FaultDisables All Motion07 Lift MC FaultLift MC FaultDisables All Motion08 Steer MC FaultSteer MC FaultDisables All Motion09 Left MC Communication FaultLeft MC Communication FaultDisables All Motion10 Right MC Communication FaultRight MC Communication FaultDisables All Motion11 Pump MC Communication FaultPump MC Communication FaultDisables All Motion12 Steer MC Communication FaultSteer MC Communication FaultDisables All Motion13 Chassis Up or Down Switch ONChassis Up or Down Switch ONDisables All Motion14 Load Sensor Communication FaultLoad Sensor Communication FaultDisables All Motion18 Pothole Guard FaultPothole Guard FaultDisable Lifting and Driving31 Load Sensor FaultLoad Sensor FaultDisables All Motion32 Angle Sensor FaultAngle Sensor FaultDisables All Motion36 Low Battery LimpLow Battery LimpDrive speed limit37 Battery SleepBattery SleepWarning Only42 Platform Left Button ONPlatform Left Button ONWarning Only43 Platform Right Button ONPlatform Right Button ONWarning Only46 Platform Enable Button ONPlatform Enable Button ONDisable Platform Control47 Joystick Not In NeutralJoystick Not In NeutralDrive speed limit68 Battery Low Voltage FaultBattery Low Voltage FaultDisables All Motion80 Platform Load is over 80%Platform Load is over 80%Warning Only90 Platform Load is over 90%Platform Load is over 90%Warning Only99 Platform Load is over 99%Platform Load is over 99%Warning Only100 Machine InclinedMachine InclinedDisable Lifting and Driving100 Platform OverloadedPlatform OverloadedDisable All Motion101 Restore Parameters to DefaultRestore Parameters to DefaultWarning Only102 Battery is drainingBattery is drainingBattery is drainingPage 32Micro19AE-Service Parts Manual-97163
喜欢就支持一下吧
评论 抢沙发

请登录后发表评论

    请登录后查看评论内容