

第1页 / 共33页

第2页 / 共33页

第3页 / 共33页

第4页 / 共33页

第5页 / 共33页

第6页 / 共33页

第7页 / 共33页

第8页 / 共33页

第9页 / 共33页

第10页 / 共33页
试读已结束,还剩23页,您可下载完整版后进行离线阅读
THE END
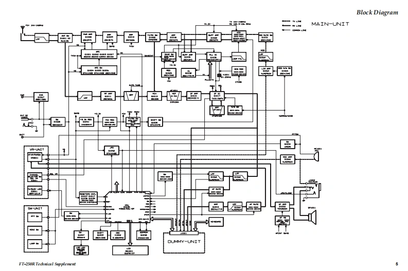
SYAESUVERTEX STANDARD CO.,LTD.4-8-8 Nakameguro,Meguro-Ku,Tokyo 153-8644,JapanVERTEX STANDARDet.CypresCAFT-250RYAESU UK LTD.Unit 12.Sun Valley Business Park,Winnall CloseWinchester,Hampshire,SO23 OLB.U.K.Technical SupplementVERTEX STANDARD HK LTD.Unit 5,20/F.,Seaview Centre,139-141 Hoi Bun Road.Kwun Tong,Kowloon,Hong KongVERTEX STANDARD(AUSTRALIA)PTY.,LTD.Nomanby Business Park,Unit 14/45 Normanby RoadC2009 VERTEX STANDARD CO.,LTD.EHO38N90ANotting Hill 3168,Victoria,AustraliaIntroductionThis manual provides the technical information necessary for servicing the FT-250RVHF FM Transceiver.Servicing this equipment requires expertise in handing surface-mount chip compo-nents.Attempts by non-qualified persons to service this equipment may result inpermanent damage not covered by the warranty,and may be illegal in some coun-tries.Two PCB layout diagrams are provided for each double-sided board in this trans-ceiver.Each side of the board is referred to by the type of the majority of componentsinstalled on that side("Side A"or"Side B").In most cases one side has only chipcomponents(surface-mount devices),and the other has either a mixture of both chipand leaded components (trimmers,coils,electrolytic capacitors,ICs,etc.),or leadedcomponents only.While we believe the information in this manual to be correct,VERTEX STANDARDassumes no liability for damage that may occur as a result of typographical or othererrors that may be present.Your cooperation in pointing out any inconsistencies inH0800the technical information would be appreciated.Important NoteThe transceiver was assembled using Pb (lead)free solder,based on the RoHSspecification.Only lead-free solder(Alloy Composition:Sn-3.0Ag-0.5Cu)should be used1213for repairs performed on this apparatus.The solder stated above utilizes thealloy composition required for compliance with the lead-free specification,and any solder with the above alloy composition may be used.ContentsSpecifications.........2Exploded View Miscellaneous Parts ....3Bl0 ck Diagram.…Circuit Description..7Alignment......10Board Units(Schematics,Layouts Parts)Main Unit..15VR Unit…31SW Unit.......32DUMMY Unit.32
请登录后查看评论内容