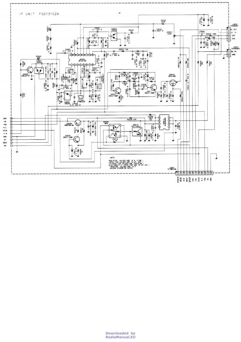
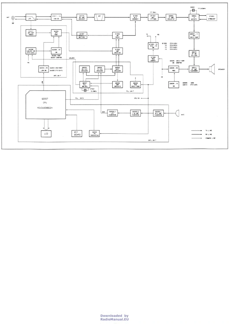
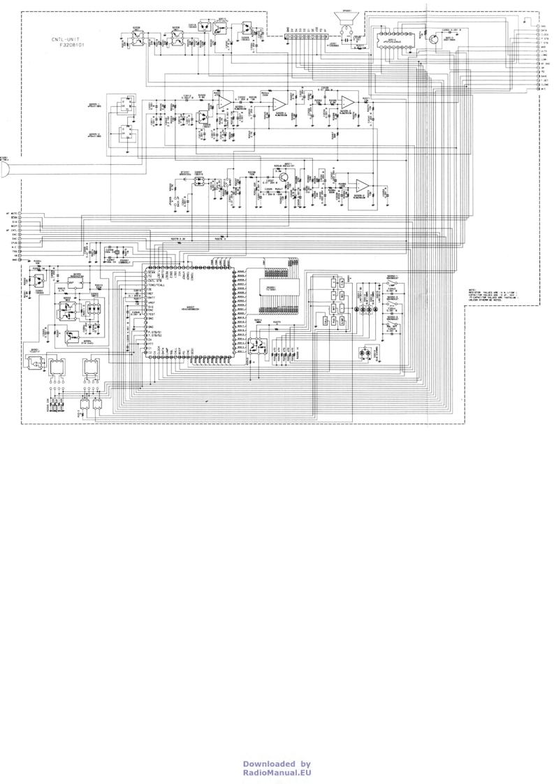
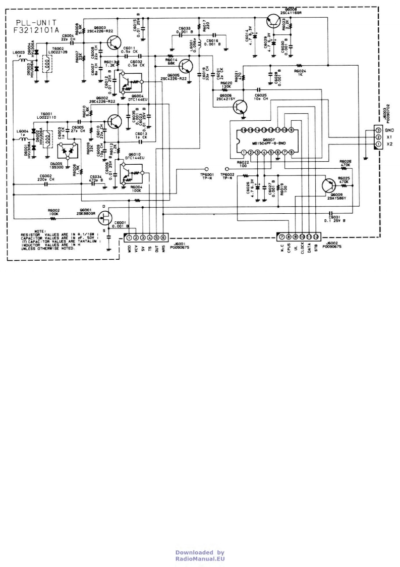
FT-26_电器原理图找手册网23天前发布关注私信1.79MB9页048FT-26_电器原理图此内容为付费资源,请付费后查看¥19¥21黄金会员免费钻石会员免费登录购买付费资源 第1页 / 共9页 第2页 / 共9页 第3页 / 共9页 第4页 / 共9页 第5页 / 共9页 第6页 / 共9页 第7页 / 共9页 第8页 / 共9页 第9页 / 共9页 已完成全部阅读,共9页 THE END八重洲 文本预览 h二啊院司品解4跑盆43.548e314i5器AN UNIT了02c07PL DATAcPU404046C93224三Downloaded byRadioManual.EU 查看更多 收起部分 喜欢就支持一下吧收藏
请登录后查看评论内容