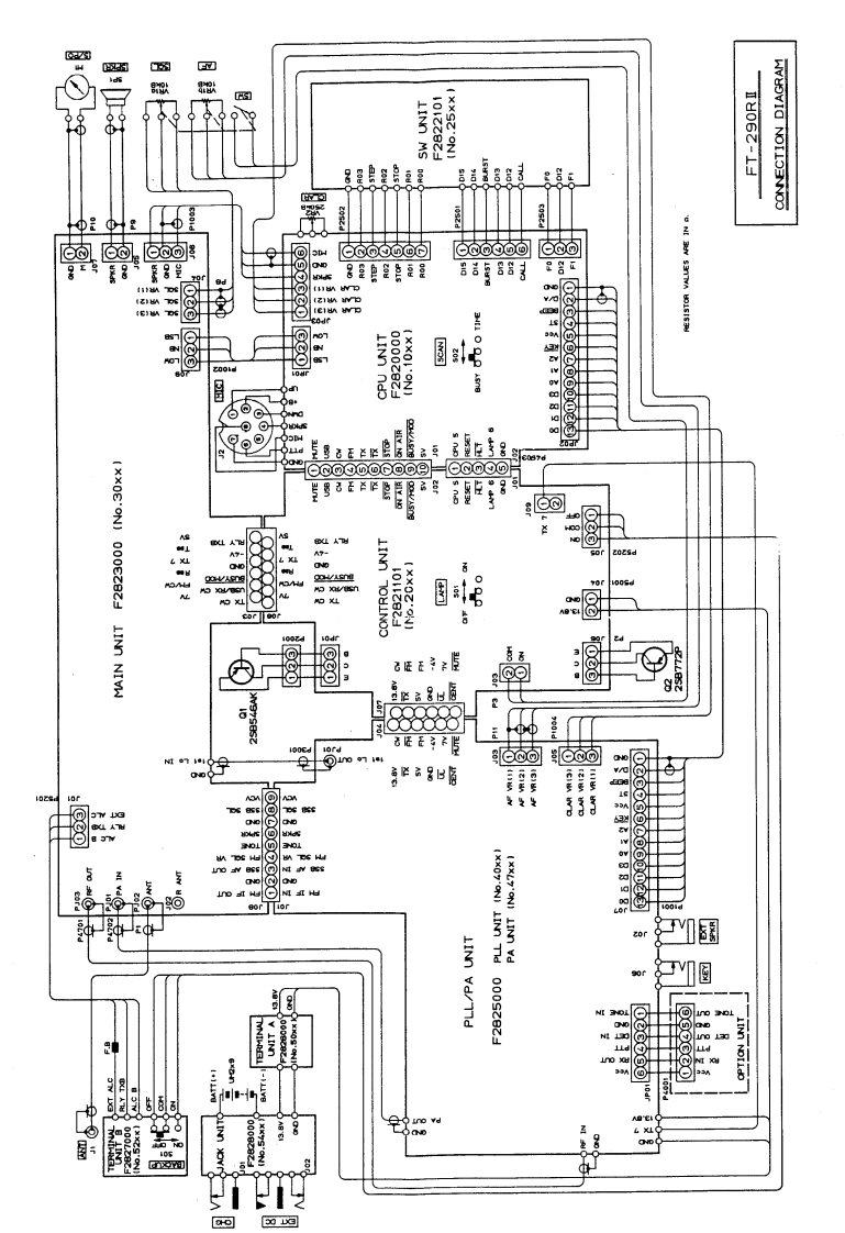
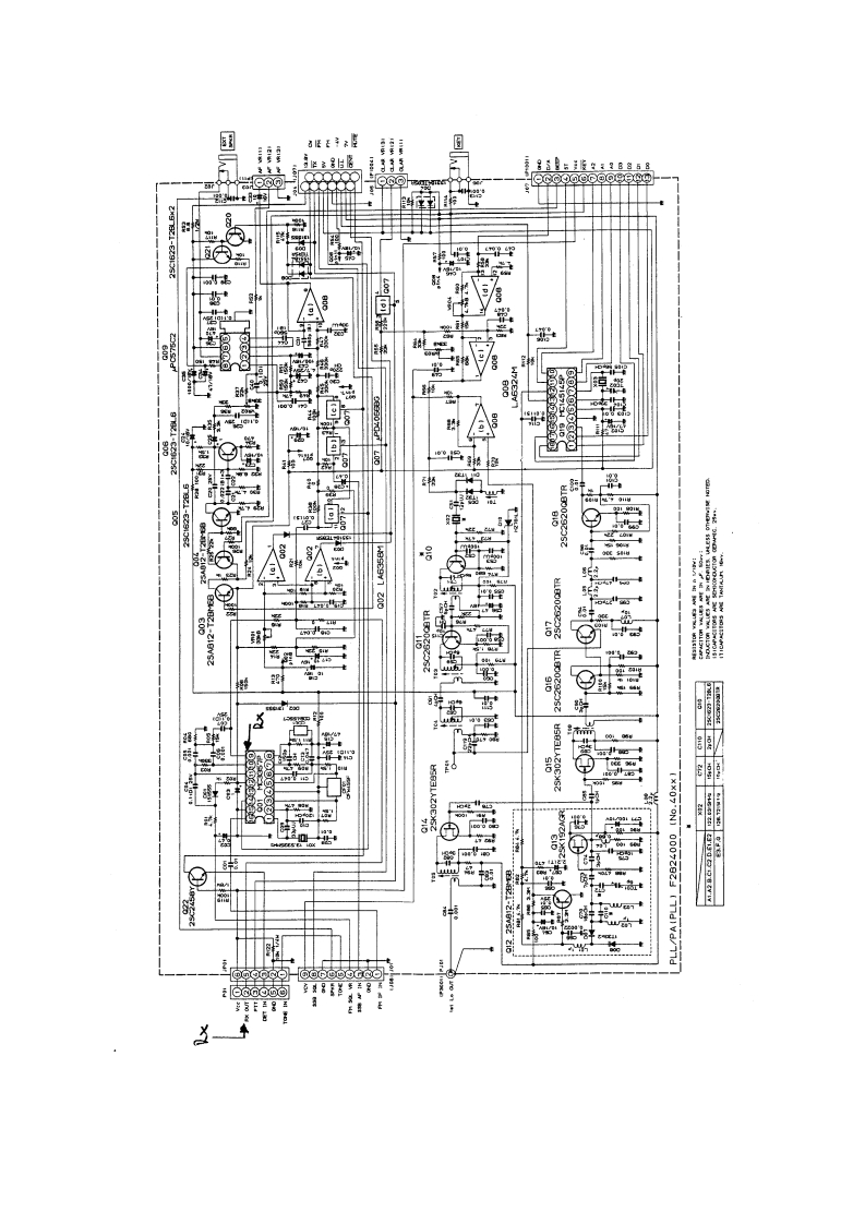
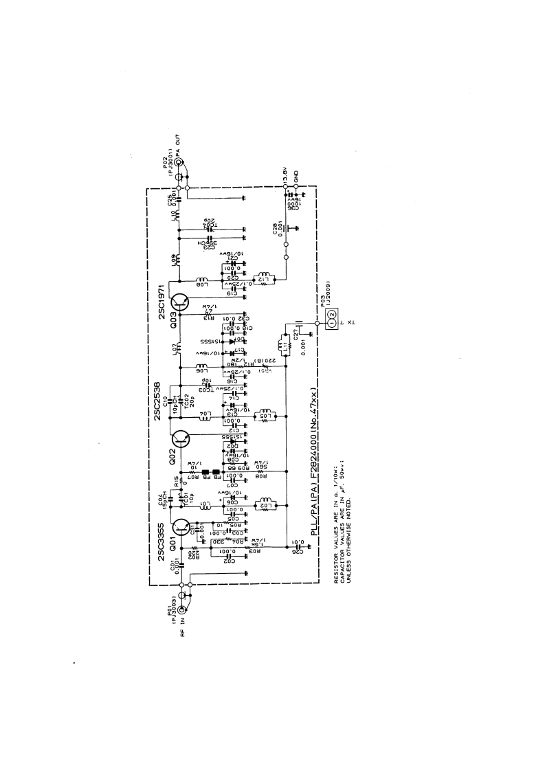
FT-290RII电器原理图找手册网24天前发布关注私信0.42MB6页031FT-290RII电器原理图此内容为付费资源,请付费后查看¥19¥21黄金会员免费钻石会员免费登录购买付费资源 第1页 / 共6页 第2页 / 共6页 第3页 / 共6页 第4页 / 共6页 第5页 / 共6页 第6页 / 共6页 已完成全部阅读,共6页 THE END八重洲 文本预览 的☑8LIN MS3046o00⊙年898且自是倍至且足g0的四00060⊙⊙@@⊙©A7-corLINN NIVWGE正子:屋904ord6o购00or0908820a00HinoHeorior(XXL7'ONI LIN Yd3390r国30101ud1INn NOIidot-h 查看更多 收起部分 喜欢就支持一下吧收藏
请登录后查看评论内容