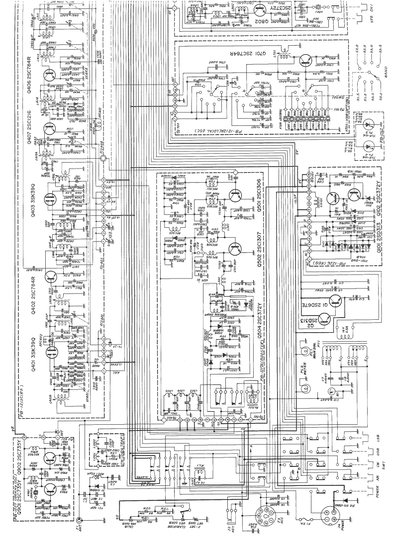
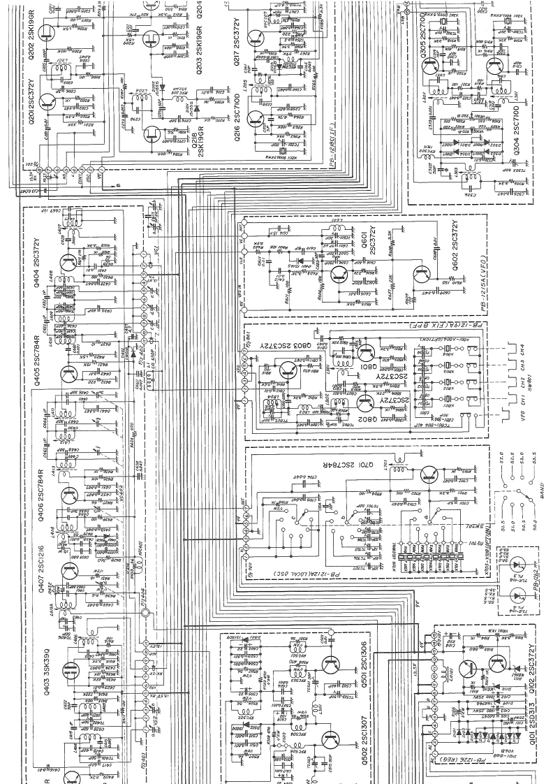
FT-620_维修说明书图册找手册网24天前发布关注私信3.24MB3页049FT-620_维修说明书图册此内容为付费资源,请付费后查看¥19¥21黄金会员免费钻石会员免费登录购买付费资源 第1页 / 共3页 第2页 / 共3页 第3页 / 共3页 已完成全部阅读,共3页 THE END八重洲 文本预览 8172N033-z"g00彭7a鞋t010件2L3S2g003-¥75远7花EEWos kE常西0L北美1080A乙L25毫 查看更多 收起部分 喜欢就支持一下吧收藏
请登录后查看评论内容