FT-690R2_电器原理图

FT-690R2_电器原理图-找手册网
FT-690R2_电器原理图
此内容为付费资源,请付费后查看
1921
付费资源

第1页 / 共7页

第2页 / 共7页

第3页 / 共7页

第4页 / 共7页

第5页 / 共7页

第6页 / 共7页

第7页 / 共7页
已完成全部阅读,共7
THE END
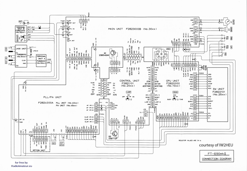
色:眉AIN UNIT F2623000B(.30××I8e是8aTENHINAL图:用贵:超且g于立①000G000©:●●●文●●X●13冷68五5名》男月9卤心卤E卤号写8足M U33月CONTROL UNITCPU UNITSTEPoF2821101F2820000SToP4N4.20x×o.10188色SW UNIT2WF2822101U雅U 5INo.25xxIPLL/PA UNIT9m物1045F26240D0AP凡L UNIT IN.40mN】PA UNIT INo.45××CALL8A8月::之质兰:复;8Q明3别a明2打兰:E点8且585B89E?胎:6且首80日0⑤G588用圆courtesy of IW2HEUFT-690mkIICONNECTION DIAGRAMfor free byRadioAmateur.eu
喜欢就支持一下吧
评论 抢沙发

请登录后发表评论

    请登录后查看评论内容