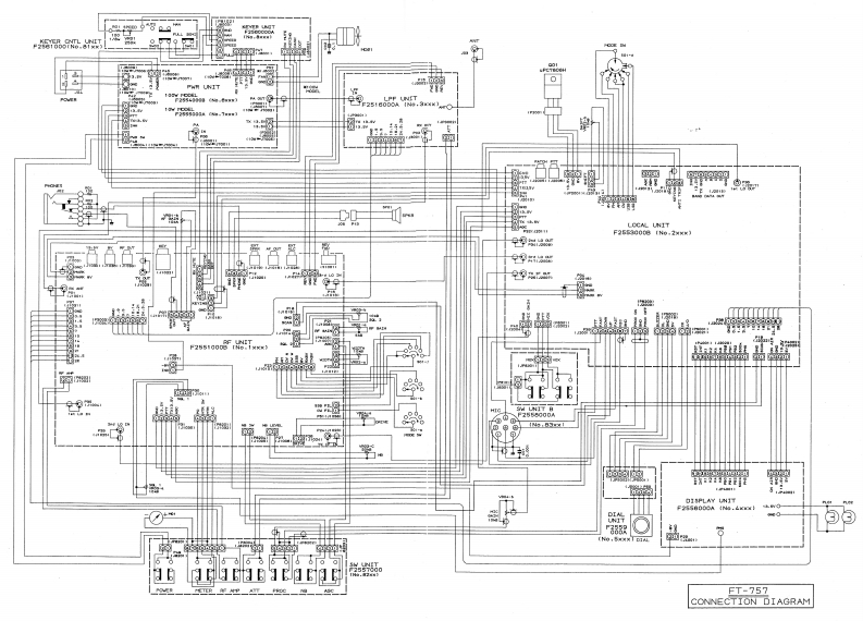
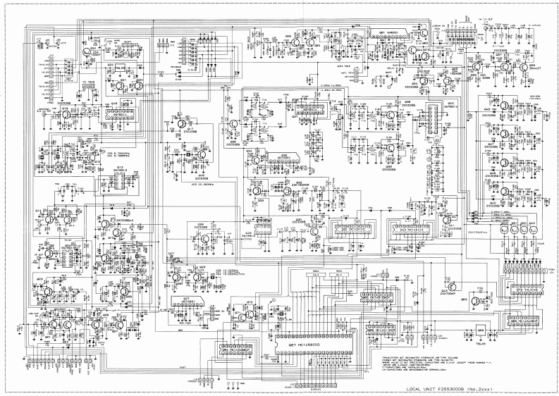
FT-757GX_参考电器原理图找手册网23天前发布关注私信11.49MB4页025FT-757GX_参考电器原理图此内容为付费资源,请付费后查看¥19¥21黄金会员免费钻石会员免费登录购买付费资源 第1页 / 共4页 第2页 / 共4页 第3页 / 共4页 第4页 / 共4页 已完成全部阅读,共4页 THE END八重洲 文本预览 100w PA LNIT (1O0N HODEL)1 OW PA UNIT《1GNC0eLI密涩翻西凰十D州器画品w函网密网翠图2翻密中密一盟一2一网一钢寧密革密中密图受型密配园型图蹈一网.奥图密图胞门CAT DUTFT-757GX/SXBLOCK DIAGRAM称 查看更多 收起部分 喜欢就支持一下吧收藏
请登录后查看评论内容