

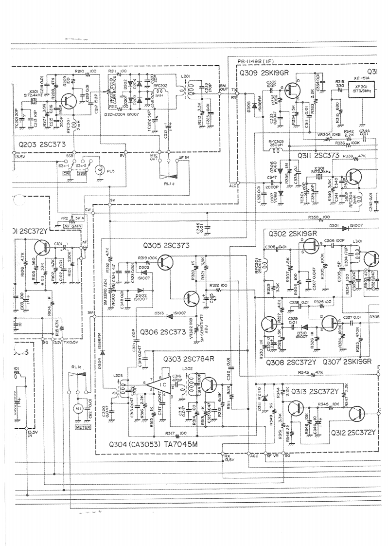
第1页 / 共13页

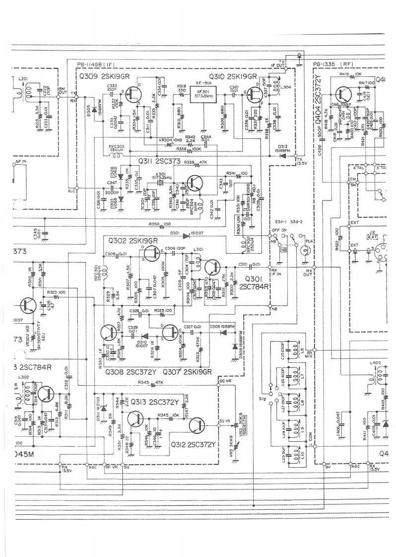
第2页 / 共13页

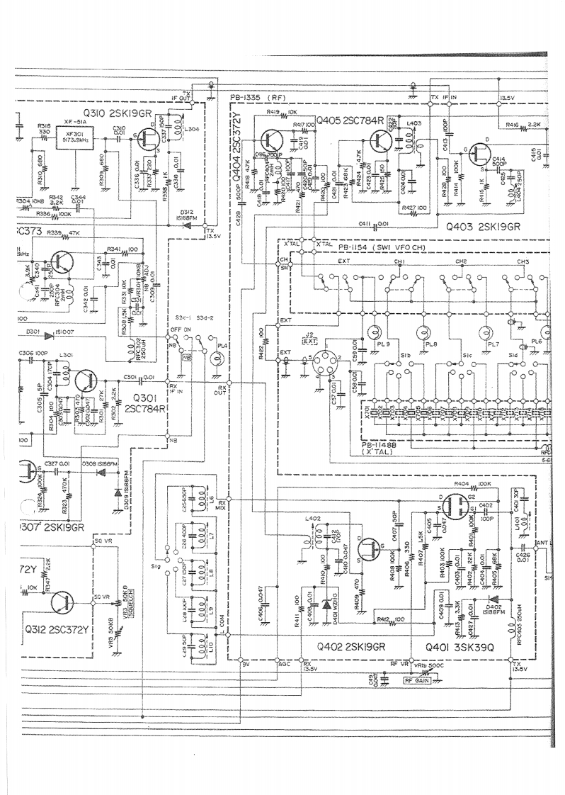
第3页 / 共13页

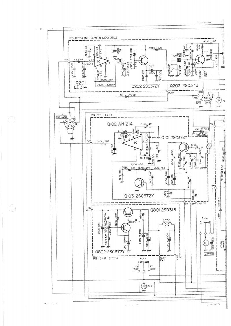
第4页 / 共13页

第5页 / 共13页

第6页 / 共13页

第7页 / 共13页

第8页 / 共13页

第9页 / 共13页

第10页 / 共13页
试读已结束,还剩3页,您可下载完整版后进行离线阅读
THE END
FP-75B POWER SUPPLYThe FP-75B is an AC power supply for use with the FT-75B on 100,110,117,200,220 or 234V AC.It also has a built-in speaker and is the samephysical size as the FT-75B.When the POWER switch on the FT-75B is depressed,all supply voltagesare supplied to the set,and the HEATER switch does not function.Separate windings are used for all supply voltages except the two highvoltage supplies.When a pair of headphones is plugged into the PHONE jack the built-inspeaker is disconnected and the headphones are supplied through anattenuator formed by Rl and R2.P6-286《ACRE61R10D50810D10SP90W⊙0⊙②②FP-75B SCHEMATIC DIAGRAM-17
请登录后查看评论内容