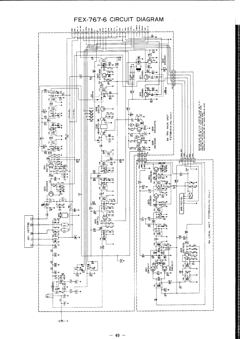
FT-767GX_FEX-767-6_参考电器原理图找手册网23天前发布关注私信0.15MB1页046FT-767GX_FEX-767-6_参考电器原理图此内容为付费资源,请付费后查看¥19¥21黄金会员免费钻石会员免费登录购买付费资源 第1页 / 共1页 已完成全部阅读,共1页 THE END八重洲 文本预览 FEX-767-6 CIRCUIT DIAGRAM诺cc"口乡49- 查看更多 收起部分 喜欢就支持一下吧收藏
请登录后查看评论内容