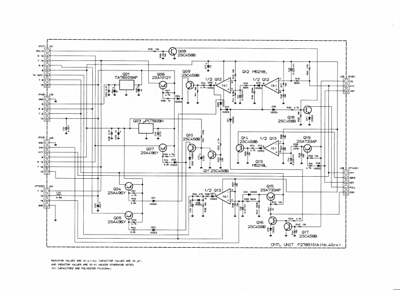
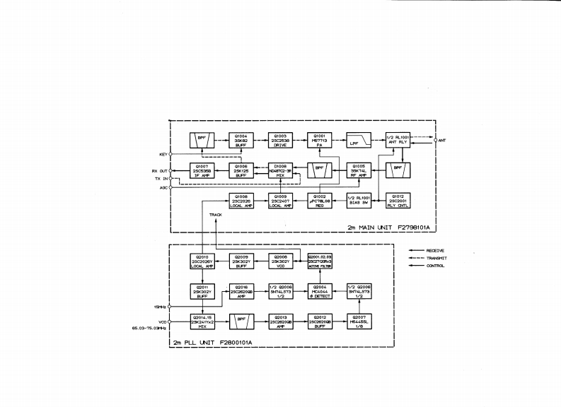
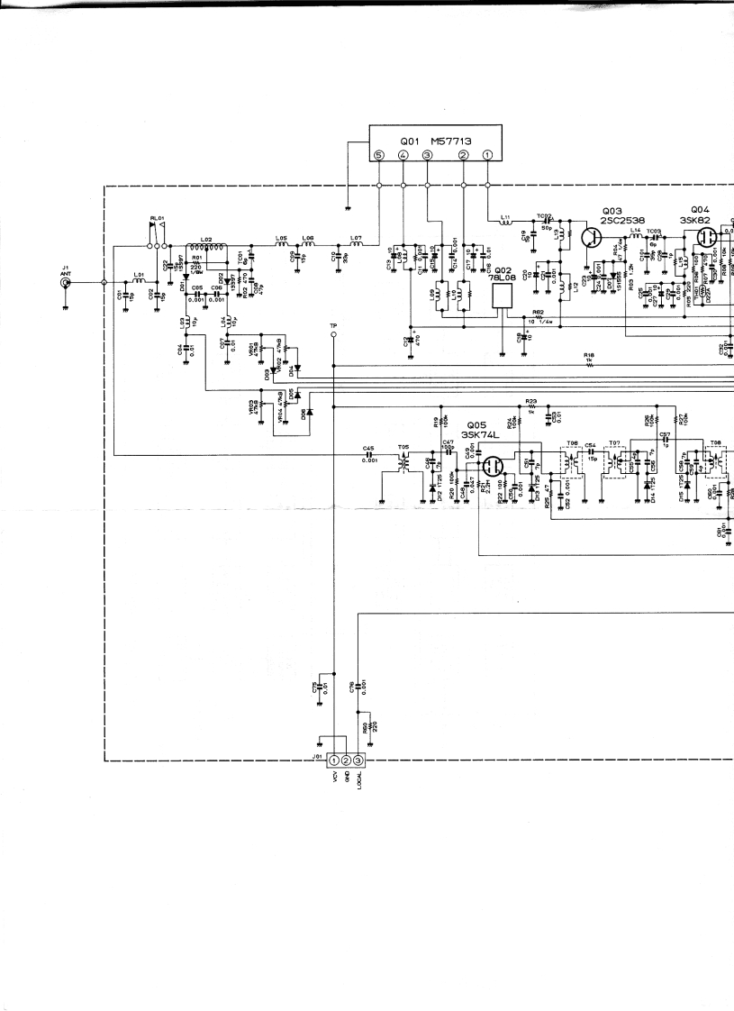
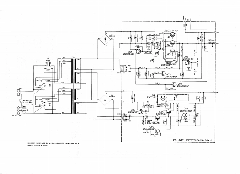
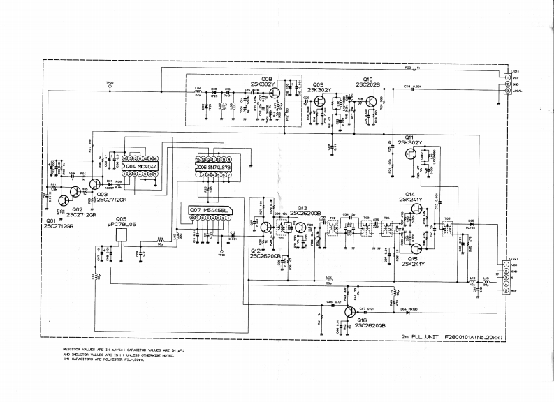
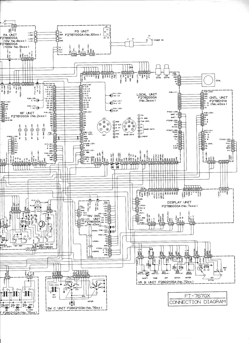
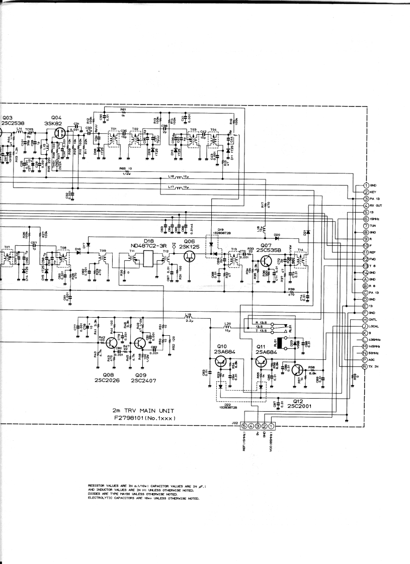
FT-767GX_电器原理图找手册网24天前发布关注私信4.05MB24页048FT-767GX_电器原理图此内容为付费资源,请付费后查看¥19¥21黄金会员免费钻石会员免费登录购买付费资源 第1页 / 共24页 第2页 / 共24页 第3页 / 共24页 第4页 / 共24页 第5页 / 共24页 第6页 / 共24页 第7页 / 共24页 第8页 / 共24页 第9页 / 共24页 第10页 / 共24页 试读已结束,还剩14页,您可下载完整版后进行离线阅读 THE END八重洲 文本预览 ☑弹器翻RX OUTTX IN圆圆学可甲高a102102202825C24072001HLY CNIL2m MAIN UNITF2798101A010008200拉,网a2口0Ym0%0===TeSCTM FTIRCONTROL9296102096a20442 CG01625302L5刀C4044w7气s31◆TTG201s,6a70072464686,03-%g海0AHPT1/2m PLL UNIT F2800101A 查看更多 收起部分 喜欢就支持一下吧收藏
请登录后查看评论内容