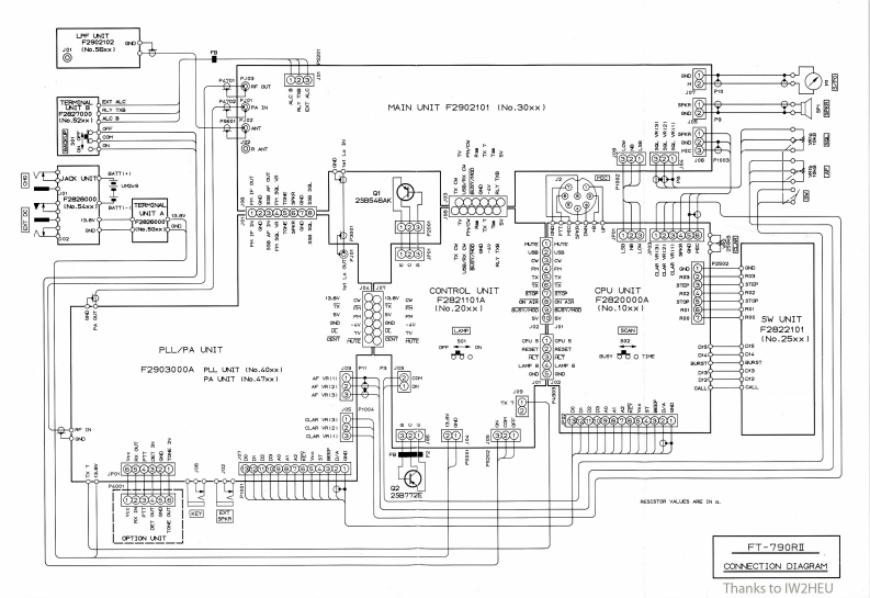
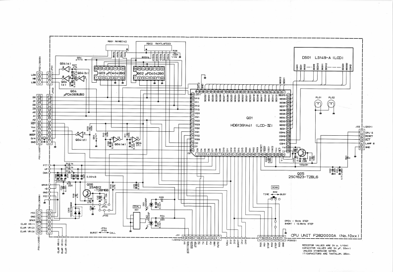
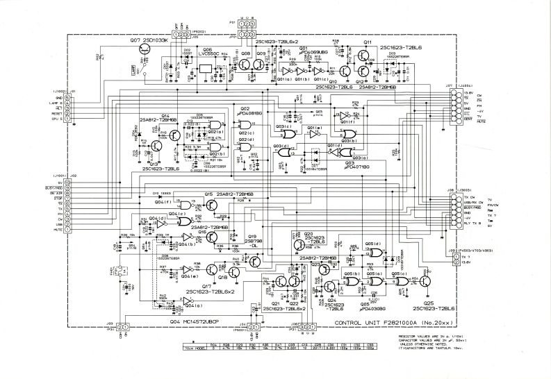
FT-790R2_电器原理图找手册网23天前发布关注私信7.35MB7页025FT-790R2_电器原理图此内容为付费资源,请付费后查看¥19¥21黄金会员免费钻石会员免费登录购买付费资源 第1页 / 共7页 第2页 / 共7页 第3页 / 共7页 第4页 / 共7页 第5页 / 共7页 第6页 / 共7页 第7页 / 共7页 已完成全部阅读,共7页 THE END八重洲 文本预览 Downloaded byRadioAmateur.EU图图闾图©☑器品器岛寧图盈☑离盛0OPU UNITAQtootH613941CONTROL UNITCPUC14572mSW UNITAET-790RIBLOCK DIAGRAM 查看更多 收起部分 喜欢就支持一下吧收藏
请登录后查看评论内容