

第1页 / 共111页

第2页 / 共111页

第3页 / 共111页

第4页 / 共111页

第5页 / 共111页

第6页 / 共111页

第7页 / 共111页

第8页 / 共111页

第9页 / 共111页

第10页 / 共111页
试读已结束,还剩101页,您可下载完整版后进行离线阅读
THE END
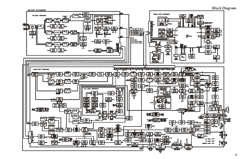
HF/VHF /UHFVERTEX STANDARD CO.,LTD.All Mode Transceiver4-8-8 Nakameguro,Meguo-Ku,Tokyo 153-8644,JapanVERTEX STANDARD10900 Waiker Street,Cypress,CA30,U.S.AFT-817/FT-817NDYAESU EUROPE B.V.P.O.Box 75525,1118 ZN Schiphol,The NetherlandsYAESU UK LTD.Technical SupplementUnit 12,Sun Valley Business Park,Wimall CloseWinchester,Hampshire,S023 0LB,U.K.VERTEX STANDARD HK LTD.Unit 5,20/F,Seaview Centre,139-141 Hoi Bun Road,2005 VERTEX STANDARD CO.,LTD(E137790B)Kwun Tong,Kowloon,Hong KongIntroductionThis manual provides technical information necessary forservicing the Yaesu FT-817/FT-817ND HF V/UHF-BandsTransceiver.It does not include information on installa-tion and operation,which are described in the FT-817/FT-817ND Operating Manual provided with the transceiv-er,or on accessories which are described in their manuals.The FT-817/FT-817ND is carefully designed to allow theknowledgeable operator to make nearly all adjustmentsrequired for various station conditions,modes and oper-ator preferences simply from the controls on the panels,without opening the case of the transceiver.The FT-817/nents(trimmers,coils,electrolytic capacitors,packagedFT-817ND Operating Manual describes these adjustments,ICs,etc.),or lead components only.plus certain intemal settings.While we believe the technical information in this manu-Servicing this equipment requires expertise in handlingal is correct,VERTEX STANDARD assumes no liabilitysurface mount chip components.Attempts by unquali-for damage that may occur as a result of typographical orfied persons to service this equipment may result in per-other errors that may be present.Your cooperation inmanent damage not covered by warranty.For the majorpointing out any inconsistencies in the technical informa-circuit boards,each side of the board is identified by thetion would be appreciated.VERTEX STANDARD reservestype of the majority of components installed on that side.the right to make changes in this transceiver and the align-In most cases one side has only chip components,and thement procedures,in the interest of technological improve-other has either a mixture of both chip and lead compo-ment,without notification of owners.ContentsSpecification2Board Unit(Schematics,Layouts Parts)Exploded View Miscellaneous Parts .....3MAIN Unit..25Block Diagram....5PLLInterconnection Diagram..........REF Unit..75PA /FINAL Unit....Circuit Description.…4.9…81PANEL Unit....99Alignment….15TCXO-9 Unit(Option).110
请登录后查看评论内容