FT-840_big_size_参考电器原理图ematic

FT-840_big_size_参考电器原理图ematic-找手册网
FT-840_big_size_参考电器原理图ematic
此内容为付费资源,请付费后查看
1921
付费资源

第1页 / 共4页

第2页 / 共4页

第3页 / 共4页

第4页 / 共4页
已完成全部阅读,共4
THE END
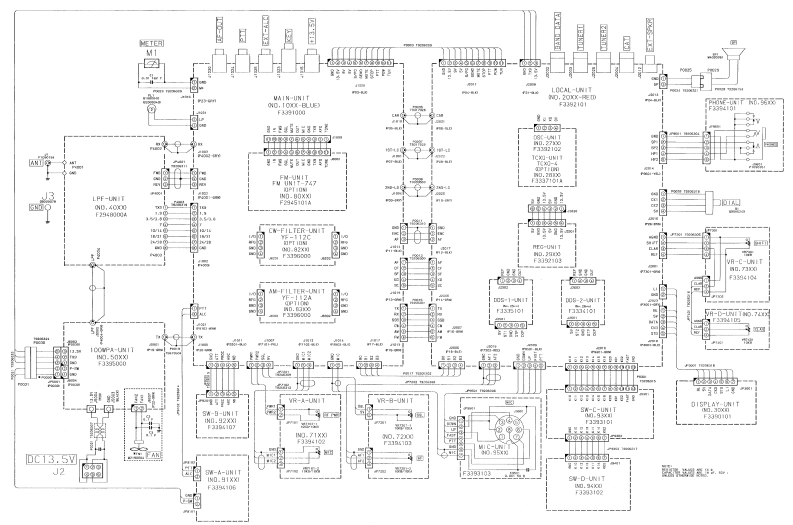
FT-840 Circuit DiagramMA IN-UN IT (NO.IDXX)F33910DD,原学家FM-LNIT公¥】5
喜欢就支持一下吧
评论 抢沙发

请登录后发表评论

    请登录后查看评论内容