

第1页 / 共12页

第2页 / 共12页

第3页 / 共12页

第4页 / 共12页

第5页 / 共12页

第6页 / 共12页

第7页 / 共12页

第8页 / 共12页

第9页 / 共12页

第10页 / 共12页
试读已结束,还剩2页,您可下载完整版后进行离线阅读
THE END
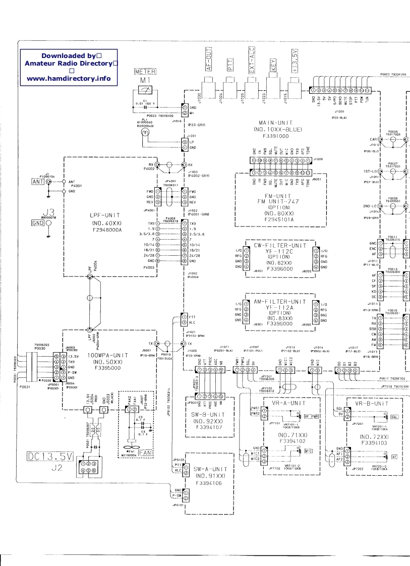
Downloaded by▣Amateur Radio DirectoryL00-HVAS'EI+METERP03T9209www.hamdirectory.infoM1①⊙O©©面可面海西0,8府苏合图最身左臣危J1o20P0023T9208320P03-8.KMAIN-UNIT1P23-G(NO.10XX-BLUE)F339100086CAR--J1o'a&:是品5点:器器借5-里a@p9早9999@p"尚566650西r2882-6mIST-Ln号兰是裙发名:器思号岩01Jt061P07-o|GNDFWDFM-UNITFM UNIT-747TStoe(OP TION2NO-LCLPF-UNIT86-6m(ND.BOXX)F2945101A伊0-有N0.40XX)gF2948000A1,9-1.93.5/3.8③3,53,81014©1D16CW-FILTER-UNIT10/21YF-112C2428⑦26/28(OPTION)ND回SNDN0.82XX0P4003GNOF33g60008202205CFl/AM-FILTER-UNITYE-112A①13-6智025(N0.83XX0TXF3396000RX@J1013I13.5y100WPA-UN IT会单且男15-R0TX9N0.50XX)8品品留F3395000-SV@@@⑨9回@Q②国⊙GNDP0030r89P0017T928G30202D73213:66330e g【面心商r阳0唱车堂丝日VR-A-UNITVR-B-UNITSW-B-UN1T②(ND.92XX)772DF339410719樱o(NO.71XX)(N0.72XX0F3394102F3394103GNDDC13.5VFANP91022J2C@SW-A-UNIT7102樱9先3P7202(N0.91XXF3394106
请登录后查看评论内容