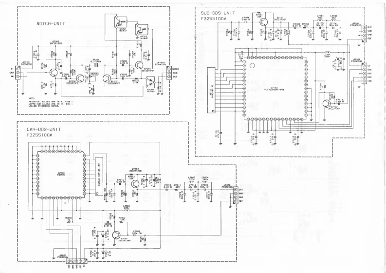
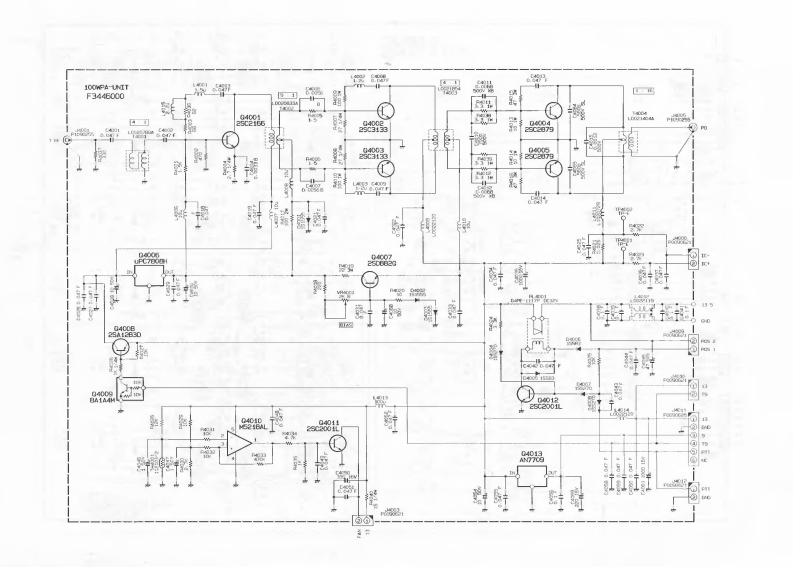
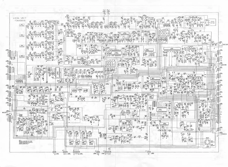
FT-900_参考电器原理图找手册网23天前发布关注私信9.49MB11页039FT-900_参考电器原理图此内容为付费资源,请付费后查看¥19¥21黄金会员免费钻石会员免费登录购买付费资源 第1页 / 共11页 第2页 / 共11页 第3页 / 共11页 第4页 / 共11页 第5页 / 共11页 第6页 / 共11页 第7页 / 共11页 第8页 / 共11页 第9页 / 共11页 第10页 / 共11页 试读已结束,还剩1页,您可下载完整版后进行离线阅读 THE END八重洲 文本预览 04Connection DiagramIUEH CMILUT999W打L3-U13460-民回g如=80高是多自高在自ǚ自各量的品9日5日5F单on-Hihm品器FT-900 查看更多 收起部分 喜欢就支持一下吧收藏
请登录后查看评论内容