

第1页 / 共50页

第2页 / 共50页

第3页 / 共50页

第4页 / 共50页

第5页 / 共50页

第6页 / 共50页

第7页 / 共50页

第8页 / 共50页

第9页 / 共50页

第10页 / 共50页
试读已结束,还剩40页,您可下载完整版后进行离线阅读
THE END
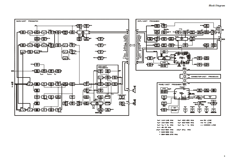
144/430MHzVERTEX STANDARD CO.,LTD.4-8-8 Nakameguro,Meguro-Ku,Tokyo 153-8644,JapanMobile TransceiverVERTEX STANDARDUS HeadquartersFT-90R10900 Walker Street,Cypress,CA 90630,U.S.AYAESU EUROPE B.V.P.O.Box 75525,1118 ZN Schiphol.The NetherlandsYAESU UK LTD.Technical SupplementUnit 12,Sun Valley Business Park,Winnall CloseWinchester,Hampshire,S023 0LB,U.K.VERTEX STANDARD HK LTD.@2004 VERTEX STANDARD CO.,LTD.Printed in Japan.Unit 5,20/F.,Seaview Centre,139-141 Hoi Bun Road,Kwun Tong,Kowloon,Hong KongIntroductionThis manual provides technical information necessaryfor servicing the Yaesu FT-90R VHF/UHF Dual Band FMMobile Transceiver.It does not include information oninstallation and operation,which are described in the FT-90R Operating Manual provided with the transceiver,orof the majority of components installed on that side.Inon accessories which are described in their manuals.most cases one side has only chip components,and theThe FT-90R is carefully designed to allow the knowl-other has either a mixture of both chip and lead compo-edgeable operator to make nearly all adjustments requirednents(trimmers,coils,electrolytic capacitors,packagedfor various station conditions,modes and operator pref-ICs,etc.),or lead components only.erences simply from the controls on the panels,withoutWhile we believe the technical information in this man-opening the case of the transceiver.The FT-90R Operat-ual is correct,Yaesu assumes no liability for damage thating Manual describes these adjustments,plus certain in-may occur as a result of typographical or other errors thatternal settings.may be present.Your cooperation in pointing out any in-Servicing this equipment requiresexpertise inhandlingconsistencies in the technical information would be ap-surface mount chip components.Attempts by unqualifiedpreciated.Yaesu Musen reserves the right to make changespersons to service this equipment may result in perma-in this transceiver and the alignment procedures,in thenent damage not covered by warranty.For the major cir-interest of technological improvement,without notifica-cuit boards,each side of the board is identified by the typetion of owners.ContentsSpecifications......2Exploded View Miscellaneous Parts....3Block Diagram .........5Circuit Description…7Alignment….10Interconnection Diagram....…14Board Unit (Schematics,Layouts Parts)MAINUnit….15CNTL Unit……29Panel Unit.VCO Unit…45Connector Unit.49
请登录后查看评论内容