

第1页 / 共102页

第2页 / 共102页

第3页 / 共102页

第4页 / 共102页

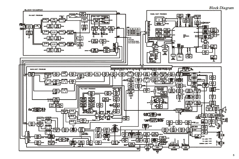
第5页 / 共102页

第6页 / 共102页

第7页 / 共102页

第8页 / 共102页

第9页 / 共102页

第10页 / 共102页
试读已结束,还剩92页,您可下载完整版后进行离线阅读
THE END
HF/VHF/UHFVERTEX STANDARD CO..LTD.All Mode Transceiver4-8-8 Nakameguro,Meguo-Ku Tokyo 153-8644.JapanVERTEX STANDARDUS Headquarters10900 Waiker Street,Cypress,CA 90630,U.S.A.FT-817International Division8350 N.W.52nd Terrace,Suite 201,Miami,FL 33166,U.SA.YAESU EUROPE B.V.P.O.Box 75525,1118 ZN Schiphd,The NetherlandsTechnical SupplementYAESU UK LTD.12.Sun Valey Business Pa.Wimal CloseWinchester,Hampshire,S023 0LB,U.K.2003 VERTEX STANDARD CO.,LTDPrinted in Japan.VERTEX STANDARD HK LTD.Unit 5,20/F..Seaview Centre,139-141 Ho Bun Road,(E137790A)Kwun Tong.Kowloon,Hong KongIntroductionThis manual provides technical information necessary forservicing the Yaesu FT-817 HF V/UHF-Bands Trans-ceiver.It does not include information on installation andoperation,which are described in the FT-817 OperatingManual provided with the transceiver,or on accessorieswhich are described in their manuals.The FT-817 is carefully designed to allow the knowledge-able operator to make nearly all adjustments required forvarious station conditions,modes and operator preferenc-es simply from the controls on the panels,without open-ing the case of the transceiver.The FT-817 Operating Man-nents(trimmers,coils,electrolytic capacitors,packagedual describes these adjustments,plus certain internal set-ICs,etc.),or lead components only.tingsWhile we believe the technical information in this manu-Servicing this equipment requires expertise in handlingal is correct,VERTEX STANDARD assumes no liabilitysurface mount chip components.Attempts by unqualifiedfor damage that may occur as a result of typographical orpersons to service this equipment may result in perma-other errors that may be present.Your cooperation innent damage not covered by warranty.For the major cir-pointing out any inconsistencies in the technical informa-cuit boards,each side of the board is identified by the typetion would be appreciated.VERTEX STANDARD reservesof the majority of components installed on that side.Inthe right to make changes in this transceiver and the align-most cases one side has only chip components,and thement procedures,in the interest of technological improve-other has either a mixture of both chip and lead compo-ment,without notification of owners.ContentsSpecification2Board Unit(Schematics,Layouts Parts)Exploded View Miscellaneous Parts.....3MAIN Unit..25Block Diagram5PLLUnit….57Circuit DescriptionREF Unit….65PA /FINAL Unit.....71Alignment.….13PANEL Unit.....89Interconnection Diagram.......................23TCXO-9 Unit(Option)..100
请登录后查看评论内容