

第1页 / 共23页

第2页 / 共23页

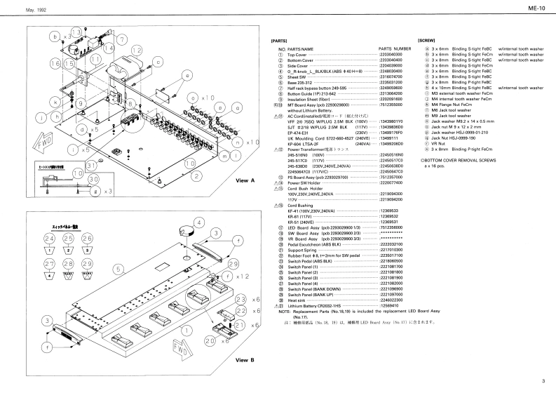
第3页 / 共23页

第4页 / 共23页

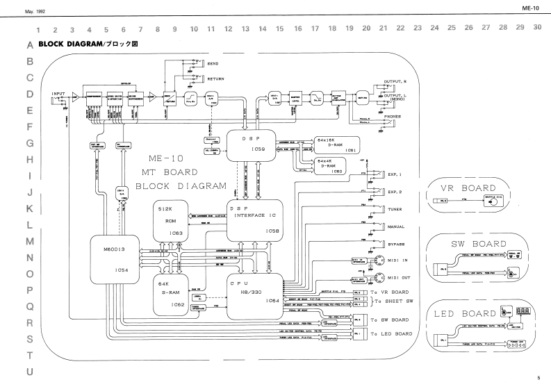
第5页 / 共23页

第6页 / 共23页

第7页 / 共23页

第8页 / 共23页

第9页 / 共23页

第10页 / 共23页
试读已结束,还剩13页,您可下载完整版后进行离线阅读
THE END
M.192ME-103▣SSME-10SERVICE NOTESFirst EditionGUITAR MULTIPLEEFFECTSTABLE OF CONTENTS目次PageSPECIFICATIONS/仕樣SPECIFCATIONS仕…[ELECTRICAL C4 ARACTER6TG/厘的特性ILOCATION OF CONTROLS下木配置区DRated laput Level定格A力尺EXPLODEDVEW....-...-.分解习1111…3hptf7y卜-4-20m【ect Return/工7工7卜·月室-2-dbmPARTS LIST-以)天…4Ohnput Impedunce/力f2比-分天BLOCK DIAGRAM-▣y夕四hput世fブy泰44444a4IDENTIFYING VERSION NUMEE.バ=节雅g方法fetm工7工夕N4V夕-2u100cohmLOARDING FACTORY PRESET DATA7下7卜y一·7可ty卜·学-砂口-功方法一6ORsted Cutput Lavel定格出力L心1-22dmDATA SAVE AND LOADy一交功包一ブ上口一卡动方法1m1:6,7Output (L用vT交卜寸y卡LA可EHect Send工7x7卜t女K…75128d想mO0 utputImpedance/出力f>比-岁xERROR MESSAGE工7-·2也-0 utput (L/Vヮ卡了y卡(L一1k6hmADJUSTEMENTS--一一-一-EHect Send工7x夕卜,女K*-:1tehMT BOARD ASSY.OOutput Lee时npedance/准其角福之2-岁>XLED BOARD ASS'YLED.21Output IL/RV?泰子y(LU和*…00w10线010动m上Ehet8en工7x夕k,七之N…010mo*m10t6hm上,号自0A月0 Asgry.444i444441i·2205 npling Frequen5r号之了y之5握蓝登…HeCHANGE INFORMATION-变更案内一…=--22PATCH MEM0RYiy4·X毛V-1Et/x7x夕1OAnalegr十口y....Compressor.Ower DrleDistortion,Nolse Superesor,Gultar AmpSimulanor⊙0 gita/t梦9Tn/手3-大-14g4物OT4 ning Ranp4前圆44444iiii四a2730t的tog1门2553出目口S目习些AWD,D/A CONVERTER/A/D:DNA度黄IOA/D Comverer11 bt LirearOVA Coetvertar 11 bt Linaar0lmW子4A7u17Segmont LEDOTHER干]O告rpp/置最4白101.1020年240W5就H2Ou=r Corsunptio/调囊量边NTO0叶meo=s/判影寸造t-18WM美2341Heg参14D1 inches435M0H用2汤D时mmOww重量7b150L300A4s4es/黑2Pedal Seal.404444004Owner's Marual (EeglishG248500520Owner's Marual [JapanasalPa252E05B000 ption才7y号-Foot SwichFS-GUn-22eree CordCs1卫Exprasson PodalEV50cEm-0.775/rr)Roland17058641Printed in Japen (808目tc0
请登录后查看评论内容