Yorkville-100K-Mixer-Amp-Service-Manual维修服务手册说明书含电器原理图

Yorkville-100K-Mixer-Amp-Service-Manual维修服务手册说明书含电器原理图-找手册网
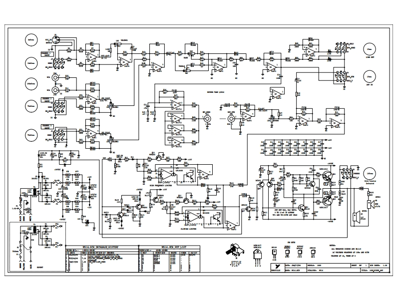
Yorkville-100K-Mixer-Amp-Service-Manual维修服务手册说明书含电器原理图
此内容为付费资源,请付费后查看
1921
立即购买
您当前未登录!建议登陆后购买,可保存购买订单
付费资源

第1页 / 共4页

第2页 / 共4页

第3页 / 共4页

第4页 / 共4页
已完成全部阅读,共4
THE END
71▣0KYorkvile MIXER AMPSERVICE MANUALMANUEL DE SERVICEWEB ACCESS:http://www.yorkville.comWORLD HEADOUARTERSCANADAUSAYorkville SoundYorkville Sound Inc.550 Grante Court4825 Witmor Industd EstatePickoring.OntaoNagsm Falb,Now YorkL1W-3Y8 CANADA14305U5ABefore operaing tis unt,pleae read tha manualthoroughl and retant br mfemncs.Veuler lre cemanl atertiverent avant du ar appared le concerver pour conulation uhrieureaVCt305837.8481VCtg71旬2972920FC305837.8746F℃712973589Manul-Servio-100-1vl.pdYorkvilleQuality and Innovation Since 1963
喜欢就支持一下吧
评论 抢沙发

请登录后发表评论

    请登录后查看评论内容