Yorkville-300K-Mixer-Amp-Service-Manual维修服务手册说明书含电器原理图

Yorkville-300K-Mixer-Amp-Service-Manual维修服务手册说明书含电器原理图-找手册网
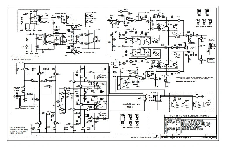
Yorkville-300K-Mixer-Amp-Service-Manual维修服务手册说明书含电器原理图
此内容为付费资源,请付费后查看
1921
立即购买
您当前未登录!建议登陆后购买,可保存购买订单
付费资源

第1页 / 共7页

第2页 / 共7页

第3页 / 共7页

第4页 / 共7页

第5页 / 共7页

第6页 / 共7页

第7页 / 共7页
已完成全部阅读,共7
THE END
300KYorkvlleMIXER AMPSERVICE MANUALMANUEL DE SERVICENEB ACCI西&加p://www.yorkville.oomWORLD HEADQUARTERSCANADAUSA.Yorkville SoundYorkville Sound Inc.550 Grante Court4825 Witmor Industid EstatePickoring.OntatoNagsm Fall,Now YorkL1W-3Y8 CANADA14305UsABefore operaing tis unt,pleuae read tha manualthproughl and retaint or mfemncs.VeuBer lrecemanl aertiverent avant du ar appared le concerver pour conutation uNrieureaVCtc305837.8481Volce:(71旬2972920FC305837.8746F℃712973689t-2kpdYorkvilleQuality and Innovation Since 1963
喜欢就支持一下吧
评论 抢沙发

请登录后发表评论

    请登录后查看评论内容