Yorkville-50K–SM50W-Mixer-Amp-Service-Manual维修服务手册说明书含电器原理图

Yorkville-50K--SM50W-Mixer-Amp-Service-Manual维修服务手册说明书含电器原理图-找手册网
Yorkville-50K–SM50W-Mixer-Amp-Service-Manual维修服务手册说明书含电器原理图
此内容为付费资源,请付费后查看
1921
立即购买
您当前未登录!建议登陆后购买,可保存购买订单
付费资源

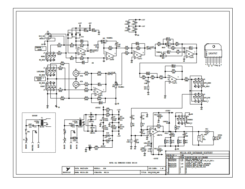
第1页 / 共7页

第2页 / 共7页

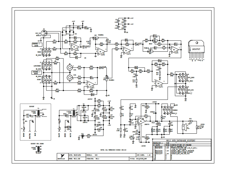
第3页 / 共7页

第4页 / 共7页

第5页 / 共7页

第6页 / 共7页

第7页 / 共7页
已完成全部阅读,共7
THE END
YorkvllleMIXER AMPSERVICE MANUALMANUEL DE SERVICEWEB ACCESS:http://www.yorkville.comWORLD HEADOUARTERSCANADAUSAYorkville SoundYorkville Sound Inc.550 Grante Court4825 Witmor Industd EstatePickoring.OntaoNagsm Falb,Now YorkL1W-3Y8 CANADA14305U5ABefore operaing tis unt,pleaae read tha manualthoroughi and retaint or mfemncs.Veuler lre cemarl atertiverent avant d通rf平le concenver pour comuation uNrieureaVCt305837.8481Volce:(71旬2972920FC305837.8746FC712973589YorkvilleQuality and Innovation Since 1963
喜欢就支持一下吧
评论 抢沙发

请登录后发表评论

    请登录后查看评论内容