

第1页 / 共125页

第2页 / 共125页

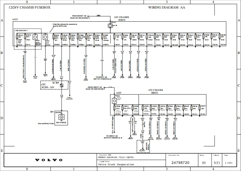
第3页 / 共125页

第4页 / 共125页

第5页 / 共125页

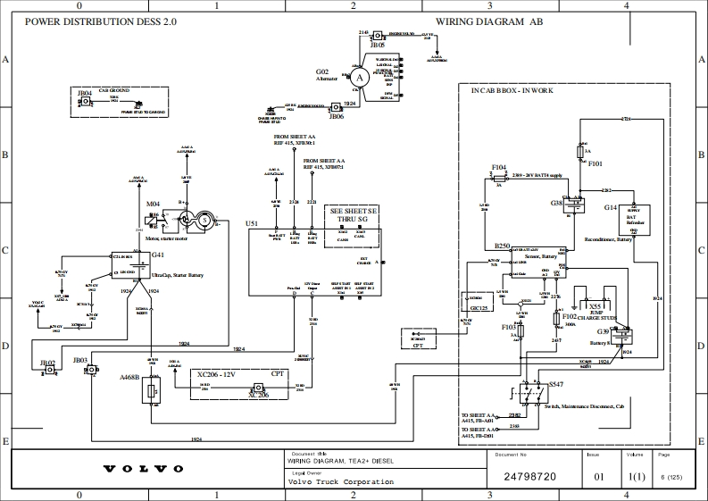
第6页 / 共125页

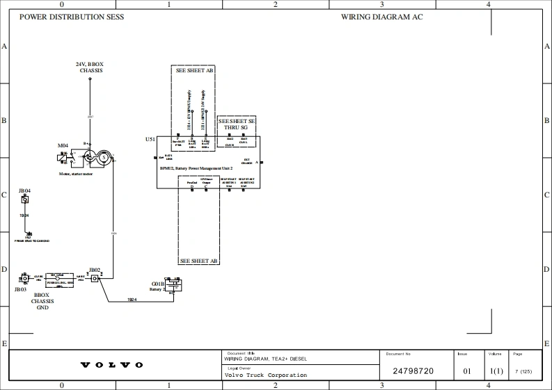
第7页 / 共125页

第8页 / 共125页

第9页 / 共125页

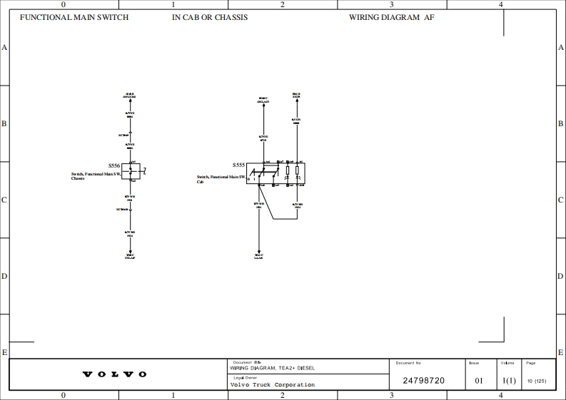
第10页 / 共125页
试读已结束,还剩115页,您可下载完整版后进行离线阅读
THE END
Engineering ReleaseLocationChange DescriptionA=AddedW=WasDocument Release StatusNotice (ERN)D DeletedT Mndification CountSee DCNRELEASEDWIRING DIAGRAM INDEXNAME DESCRIPTIONPAGENAME DESCRIETIONPAGEAA12/24V CHASSIS FUSEBOXIFCOMFORT ACCESSORIES USBS AND FRIDGE63AA1 ELECTRICAL CENTER CHASSISCOMFORT ACCESSORIES PDC54AAELECTRICAL CENTER CABIG1COMFORT ACCESSORIES PDC65ABPOWER DISTRIBUTION DESS 2.OIG2 COMFORT ACCESSORTES PDC56APOWER DISTRIBUTION SESSIHCOMFORT ACCESSORIES 120VAC67DPOWER DISTRIBUTIONTKTNFOTATNMENT SEM2AEPOWBR DISTRIBUTION CCIOM29INPOTAINMENT 24V AMPLIFIER69APFUNCTIONAL MAIN SWITCH10ININFOTAINMENT TV ANTENNA70AGAFTERTREATMENT11IOINFOTAINMENT SEM2AIIGNITION SWITCH12I01INFOTAINMENT CAMERAS72BADISPLAY13T02INFOTAINMENT USB-CBEVEHICLE MASTER CONTROL UNIT14IPHORN74BGSECURITY CAB INTERFACE MODULE (SCIM)15IRDOOR DS75BUTIS.TELEMATICS SERVICES16ISDOOR PSBU1 TIS.TELEMATICS SERVICES17SEATS77且XRP122618KCTPMS78CAENGINE INTERFACE19NABODYBUILDER BBM POWER79CAL ENGINE INTERFACE20NBBODYBUILDER VMCU80CD1 AFTERTREATMENT21NCBODYBUILDER 5TH WHEEL81CK AFTERTREATMENT SYSTEM22门BODYBUILDER 12V BBEC82CLAFTERTREATMENT SYSTEM HIGHWAY23ND1 BODY BUILDER 24V BBECDCTRANSMISSION24BODY BUILDER LIGHTSDEALLISON25NE1 BODY BUILDER LIGHTS85EEEBs HIGHWAY26NF BODY BUILDER 12V AUX SWITCHESEEEES FRONT AXLE27BODYBUILDER 24V AUX SWITCHES87G区BS6S6 M HIGHWAY28NGBODYBUILDER BBEC AUX SWITCHESEHERS OPTIONAL29N工BODYBUILDER COMMON INTERFACE89ETEBS TRAILER30NL2BODYBUILDER 24V BODYLINK90FAAIR SUSPENSION 4X2,6X431NL4 BODYBUILDER BBM1 BBCHAS41FBAIR SUSPENSION32NL5BODYBUILDER 12V BODYLINK92FCAIR SUSPENSIONNMBODYBUILDER 12V RP170FDAIR SUSPENSION34NTBODYBUILDER TRAILER94FEAIR MANAGEMENT HIGHWAY5BODYBUILDER TRAILER95FIFRONT AXLE STEERING36NT2BODYBUILDER TRAILER EXTENSION96FLLEAF SUSPENSTON7PADRIVER ASSISTANCE CONTROL UNIT97FL1 LEAF SUSPENSION38PA1SAPETY,DACU3.298FMAIR SUSPENSION39PBSAFETY,DACU3.299GAEXTERIOR LIGHT,FRONT,LEFT40PPASSIVE SAFETYGBEXTERIOR LIGHTFRONT,RIGH41SABACKBONE 1101GCEXTERIOR LIGHTS TL.LED42S田BACK卫OE2102GC1 EXTERIOR LIGHTS EXPORT43SCCAB SUBNET103GC2 EXTERIOR LIGHTS TL.MULT244SDSECURITY SUBNET104GC3 EXTERIOR LIGHTS TL-LED345SECHASSIS SUBNET105GDEXTERIOR LIGHT,MIRROR45SFCHA名gT名S1BRT106GFEXTERIOR LIGHTS。ROOF47SHINFOTAINMENT SUBNET107GPWIPER AND WASHER48SKSWITCH TOPOLOGY108HECLIMATE UNIT49SWITCH TOPOLOGY MACK AREA 1109HA1 CLIMATE UNIT50SK2ECS DAY CAB110HA2 WINDSHIELD HEATER51SLINSTRUMENT CLUSTER SWITCHESHBIPC52OBD INTERFACE112HCPARKING HEATER·WATER53BACKBONE 1 CHASSIS113HDPARKING HEATER·AIR54YABIW CAB GROUND ECU INSTRUMENT PANEL114HEAMBIENT TEMP.,SHORT STOP HEATER55BIWCAE GROUND INSTRUMENT PANEL115HEAIR FILTER MONITORING56B工ACAB GROUND INSTUMENT PANEL116IA1INTERIOR LIGHTSYDBIW·CAB GROUND·PASSENGER SIDE B·PILL117工A2 INTERIOR I工GHTgBIW-CAB GROUND REAR WALL DAY118IBINTERIOR LIGHTS BASE59YEBIW·CAB GROUND119INTERIOR LIGHTS60CHA名SIS GND120INTERIOR LIGHTS HIG61YGCHASSIS GND121B2INTBRIOR LIGHTS MID62¥HCHASSIS GROUND122The copying,distribution and utilization of this document as well as theDocum
请登录后查看评论内容