

第1页 / 共14页

第2页 / 共14页

第3页 / 共14页

第4页 / 共14页

第5页 / 共14页

第6页 / 共14页

第7页 / 共14页

第8页 / 共14页

第9页 / 共14页

第10页 / 共14页
试读已结束,还剩4页,您可下载完整版后进行离线阅读
THE END
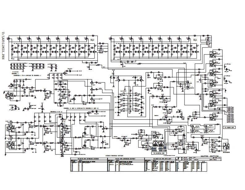
SERVICE MANUALAP312320 WATTSTEREO MIXER1.Parts List3.lnput Chamel BesdAP1288中m100 stema6e+m1的thiiiiiiiiWEB ACCESS:http://www.yorkville.com卷海海将效4.a&Bd11◆m11 schematiciiniiniWORLD HEADQUARTERS海海,CANADAU.SA111海海海券5.ews4年X4Yorkville SoundYorkville Sound Inc.誉海海善550 Granite Court4625 itmer Indus包Eai8◆mf10schRckodng.OntarioNagara Fall,Now YorkL1W-3Y8 CANADA14305UsA6.EFX SchematicW6lcg305837.8481Vatg71旬297.2920FC30的8378☒46F℃71间2973589*245YorkvlleQuality and Innovation Since 1963Manal-Saviceap3124vpd
请登录后查看评论内容