Yorkville-AP508–AP512-Powered-Mixer-Service-Manual维修服务手册说明书含电器原理图

Yorkville-AP508--AP512-Powered-Mixer-Service-Manual维修服务手册说明书含电器原理图-找手册网
Yorkville-AP508–AP512-Powered-Mixer-Service-Manual维修服务手册说明书含电器原理图
此内容为付费资源,请付费后查看
1921
立即购买
您当前未登录!建议登陆后购买,可保存购买订单
付费资源

第1页 / 共9页

第2页 / 共9页

第3页 / 共9页

第4页 / 共9页

第5页 / 共9页

第6页 / 共9页

第7页 / 共9页

第8页 / 共9页

第9页 / 共9页
已完成全部阅读,共9
THE END
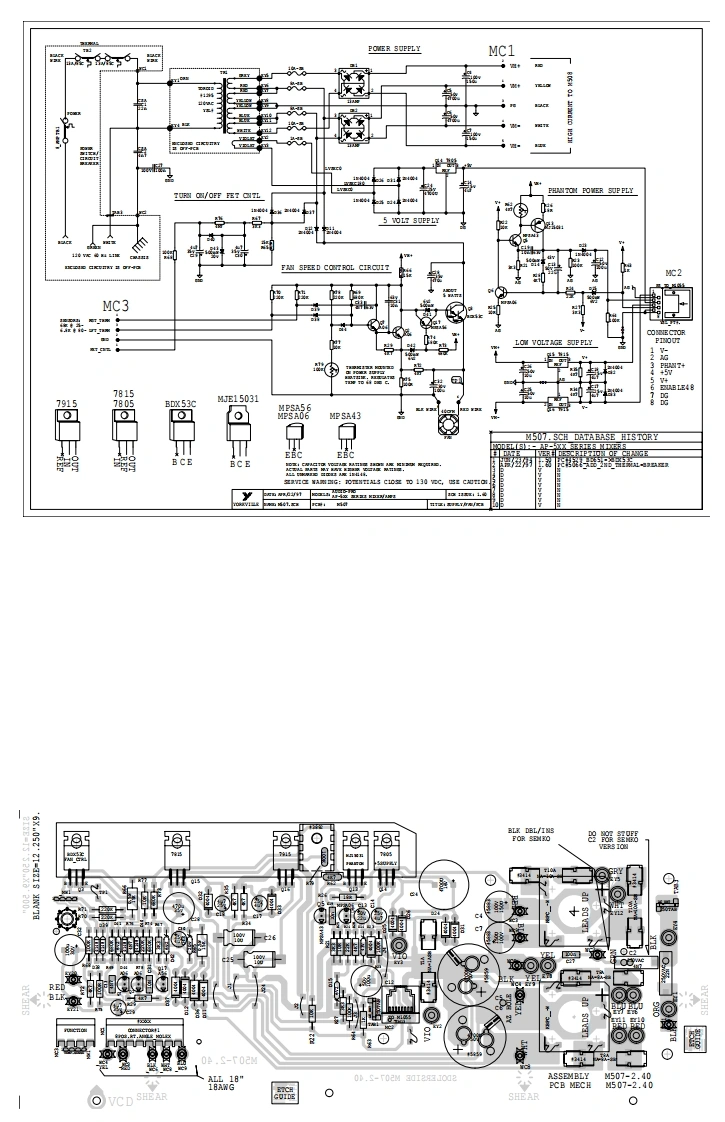
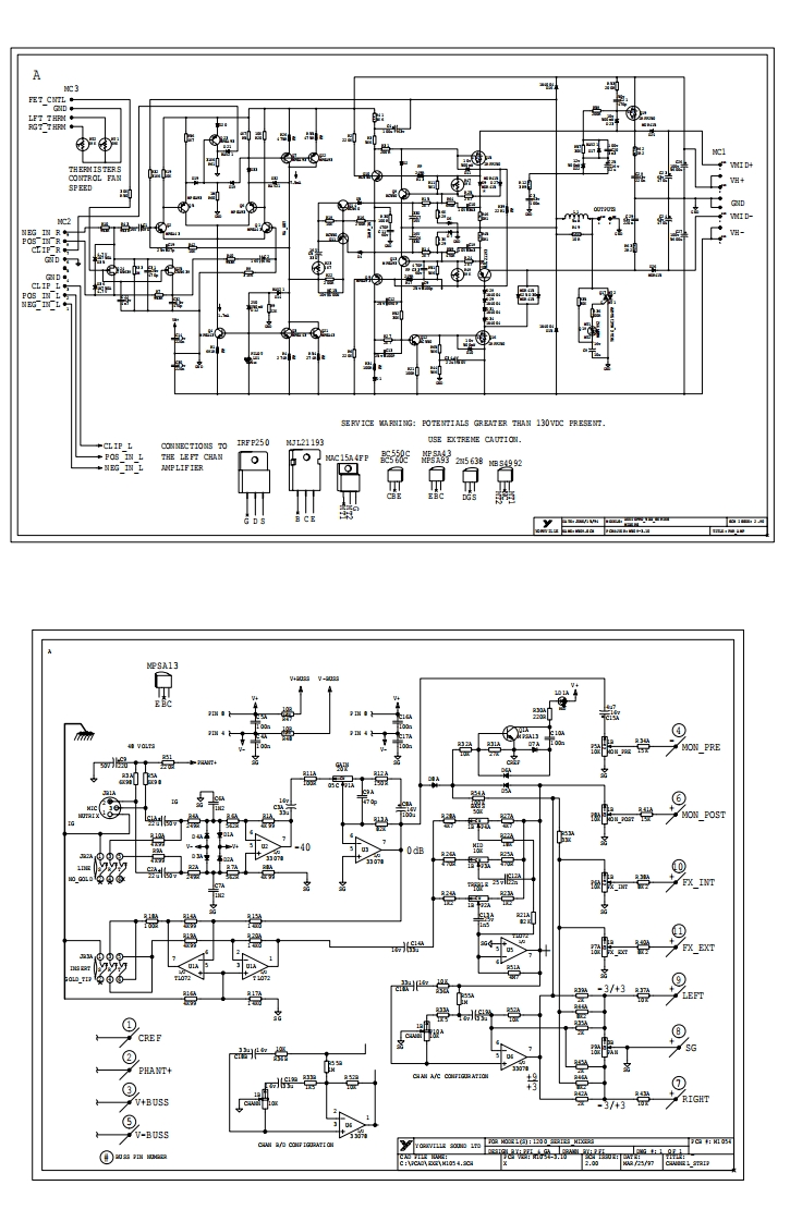
YorkvilleAP508/512Supply Boardd7e8aa,5088eWORLD HEADQUARTERSCANADAUSA.M1054 PCB lyouYorkville SoundYorkville Sound Inc.550 Granite Cout4525 tmer Industal色ate.M1055 /Pickerng,OntarioNagara Fals,New York·M10 PCB lyouL1W-3Y8 CANADA14305U5AVolce(90583784816lccT1间297.20”M109 Scheatic·MH0 6 PCB hyouFaC(9058378746FaC71旬297.3B97.Contact InformationSERVICE MANUALYorkvlllem-a5apd201128Quality and Innovation Since 1963Prirted in Canada
喜欢就支持一下吧
评论 抢沙发

请登录后发表评论

    请登录后查看评论内容