Yorkville-CM1260-Service-Manual维修服务手册说明书含电器原理图

Yorkville-CM1260-Service-Manual维修服务手册说明书含电器原理图-找手册网
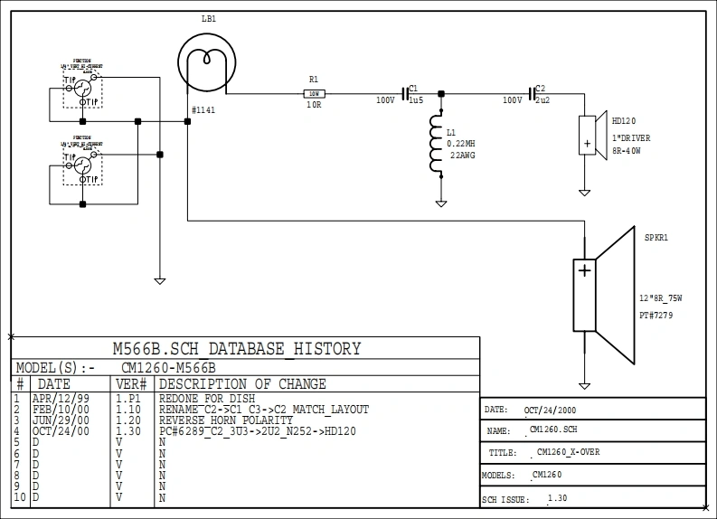
Yorkville-CM1260-Service-Manual维修服务手册说明书含电器原理图
此内容为付费资源,请付费后查看
1921
立即购买
您当前未登录!建议登陆后购买,可保存购买订单
付费资源

第1页 / 共6页

第2页 / 共6页

第3页 / 共6页

第4页 / 共6页

第5页 / 共6页

第6页 / 共6页
已完成全部阅读,共6
THE END
YorkvllleSERVICE MANUALcm1260WEB ACCESS:http://www.yorkville.comWORLD HEADQUARTERSCANADAUSAYorkville SoundYorkville Sound Inc.550 Grante Court4625Witmer Industrial EstatePickoring.OntstoNagam Fall,NowYorkL1WABY8 CANADA14305U5A6l0r30583.84816cg(716间2972920Fc30间8378746FC(71旬2973589YorkvllleQuality and Innovation Since 1963
喜欢就支持一下吧
评论 抢沙发

请登录后发表评论

    请登录后查看评论内容