

第1页 / 共12页

第2页 / 共12页

第3页 / 共12页

第4页 / 共12页

第5页 / 共12页

第6页 / 共12页

第7页 / 共12页

第8页 / 共12页

第9页 / 共12页

第10页 / 共12页
试读已结束,还剩2页,您可下载完整版后进行离线阅读
THE END
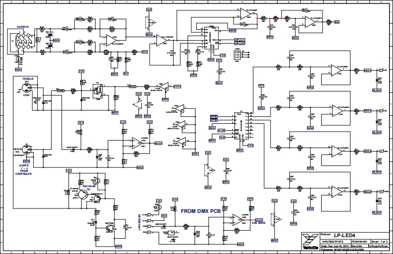
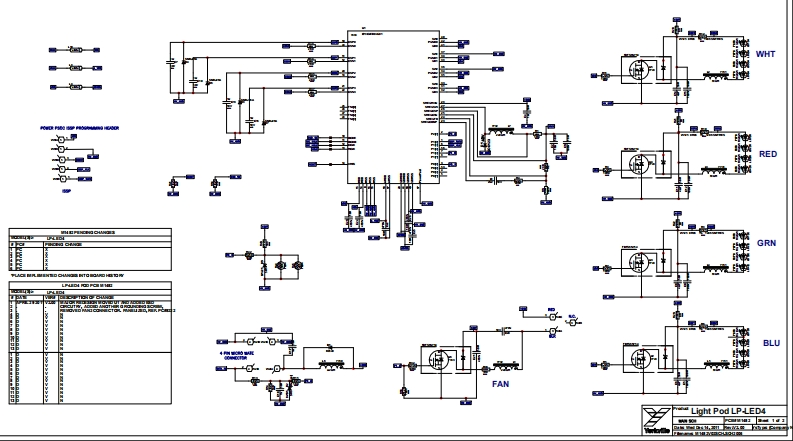
YorkvllleSERVICE MANUALMODEL TYPE:YS1093LP-LED4WEB ACCESS:http://www.yorkville.comWORLD HEADQUARTERSCANADAUSAYorkville SoundYorkville Sound Inc.550 Grante Court4625 Witmer Industrial EstatePickoring.OntstoNagam Fall,NowYokL1WABY8 CANADA14305UsA6l0r30583.84816cg(716间2972920Fc30间8378746FC(71旬2973589YorkvllleQuality and Innovation Since 1963Masal-Serrice-LP-IED4-00-1w-pdf
请登录后查看评论内容