Yorkville-LP504D-Lighting-Controller-Service-Manual维修服务手册说明书含电器原理图

Yorkville-LP504D-Lighting-Controller-Service-Manual维修服务手册说明书含电器原理图-找手册网
Yorkville-LP504D-Lighting-Controller-Service-Manual维修服务手册说明书含电器原理图
此内容为付费资源,请付费后查看
1921
立即购买
您当前未登录!建议登陆后购买,可保存购买订单
付费资源

第1页 / 共7页

第2页 / 共7页

第3页 / 共7页

第4页 / 共7页

第5页 / 共7页

第6页 / 共7页

第7页 / 共7页
已完成全部阅读,共7
THE END
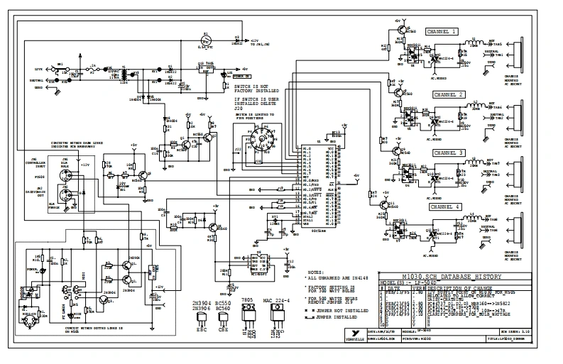
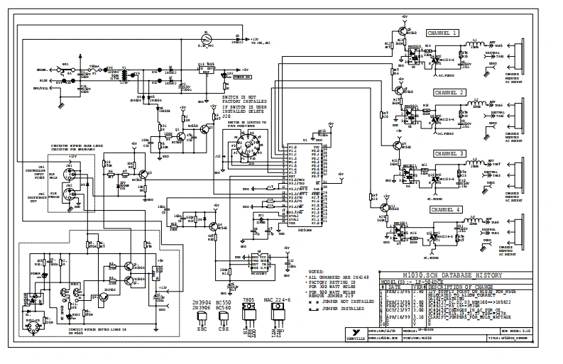
LP504DComputer Controlled Lighting SystemSysteme d'Eclairage Controlle par OrdinateurWEB ACCESS:http://www.yorkville.comWORLD HEADQUARTERSCANADAUSAYorkville SoundYorkville Sound Inc.550 Grante Court4625 Wamer Industial EstatePickoring.OntatoNagar Falls,Now YorkL1W3Y8 CANADA14305U5AVatc305837.8481Volco71间2972920FC305837:8746F3C716同2973589YorkvileYorkvllleSERVICE MANUALQuality and Innovation Since 1963
喜欢就支持一下吧
评论 抢沙发

请登录后发表评论

    请登录后查看评论内容