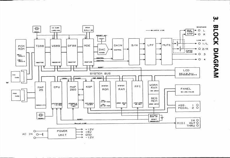
korg-01WFD_01W_维修电器原理图手册找手册网23天前发布关注私信3.95MB47页035korg-01WFD_01W_维修电器原理图手册此内容为付费资源,请付费后查看¥19¥21黄金会员免费钻石会员免费登录购买付费资源 第1页 / 共47页 第2页 / 共47页 第3页 / 共47页 第4页 / 共47页 第5页 / 共47页 第6页 / 共47页 第7页 / 共47页 第8页 / 共47页 第9页 / 共47页 第10页 / 共47页 试读已结束,还剩37页,您可下载完整版后进行离线阅读 THE ENDKorg/Roland 文本预览 SERVICE MANUALO1R/WCONTENTS1.SPECIFICATIONS2.STRUCTURAL DIAGRAM3.BLOCK DIAGRAM34.CIRCUIT DIAGRAM485.P.C.BOARDS66.DIAGNOSTIC TEST…7.REFERENCE DATA178.PARTS LIST40KORG 查看更多 收起部分 喜欢就支持一下吧收藏
请登录后查看评论内容