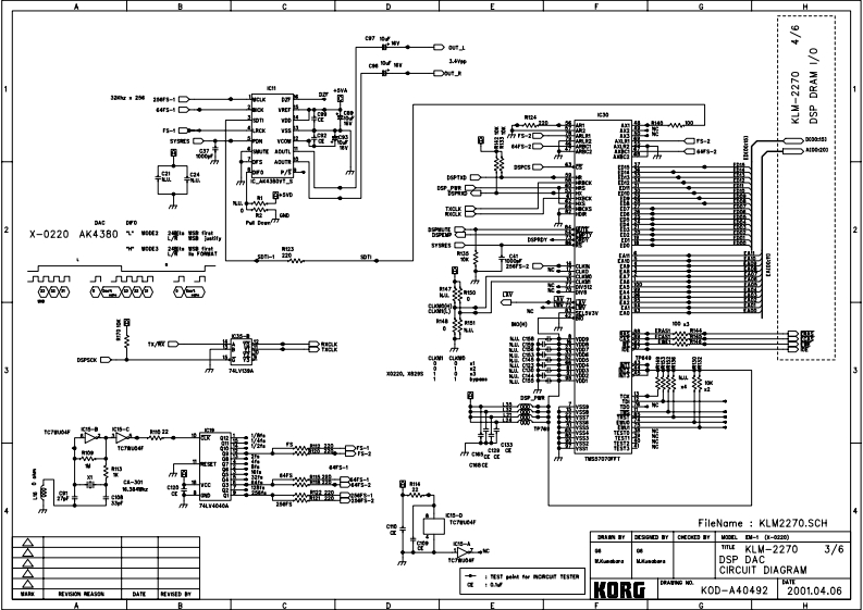
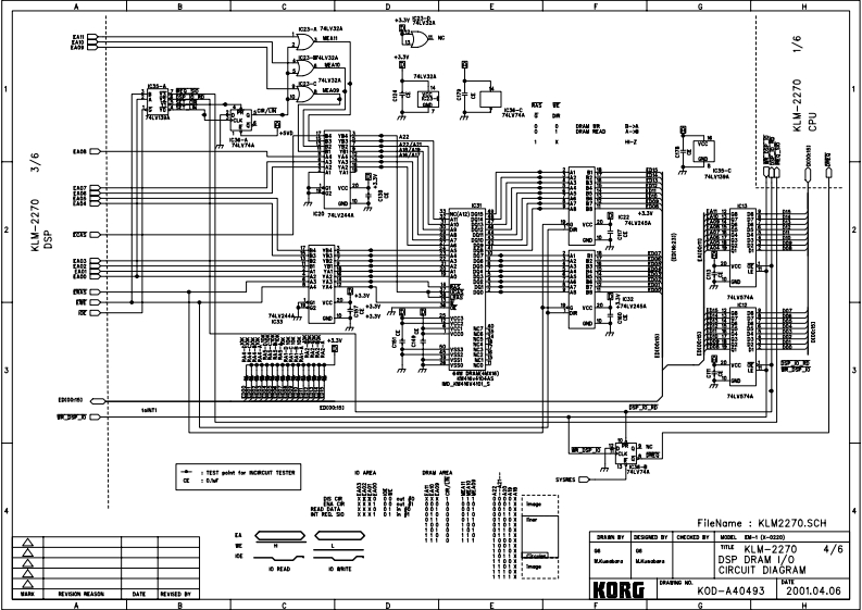
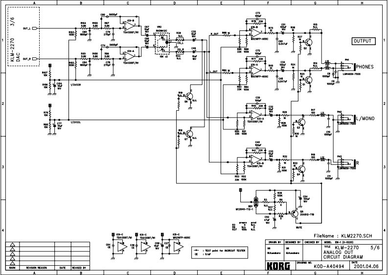
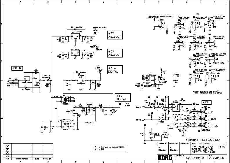
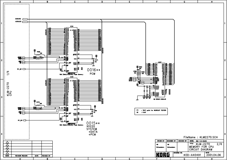
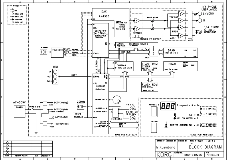
korg-em-1-维修电器原理图手册找手册网23天前发布关注私信1.29MB14页034korg-em-1-维修电器原理图手册此内容为付费资源,请付费后查看¥19¥21黄金会员免费钻石会员免费登录购买付费资源 第1页 / 共14页 第2页 / 共14页 第3页 / 共14页 第4页 / 共14页 第5页 / 共14页 第6页 / 共14页 第7页 / 共14页 第8页 / 共14页 第9页 / 共14页 第10页 / 共14页 试读已结束,还剩4页,您可下载完整版后进行离线阅读 THE ENDKorg/Roland 文本预览 Service ManualEM-1CONTENTS1)Structural Diagram··-2)Block Diagram····-3)Circuit Diagram·-·····-4)Diagnostics·······5)Parts List-···········Revision:1.00Issued date:June 27th,2001Issued by:KORG INC. 查看更多 收起部分 喜欢就支持一下吧收藏
请登录后查看评论内容