

第1页 / 共68页

第2页 / 共68页

第3页 / 共68页

第4页 / 共68页

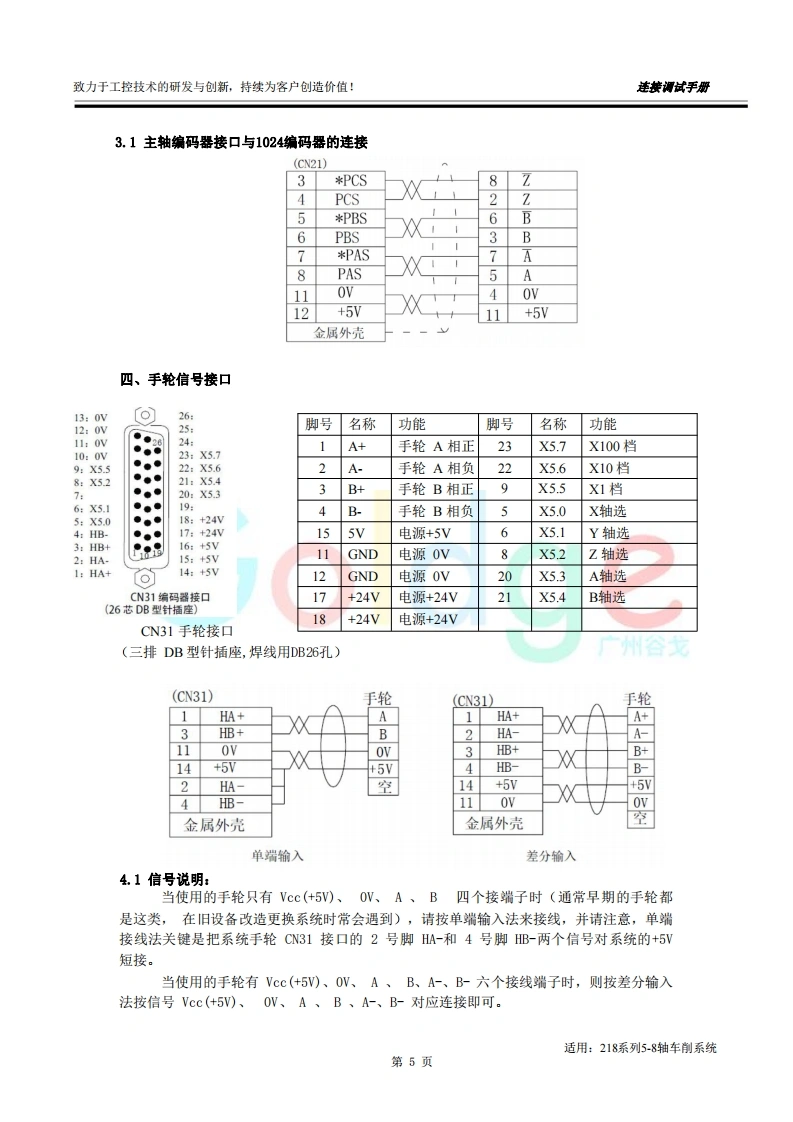
第5页 / 共68页

第6页 / 共68页

第7页 / 共68页

第8页 / 共68页

第9页 / 共68页

第10页 / 共68页
试读已结束,还剩58页,您可下载完整版后进行离线阅读
THE END
致力于工控技术的研发与创新,持续为客户创造价值:连接调试手册前言尊敬的客户:对您选用的产品,本公司深感荣幸与感谢!本使用手册详细介绍了我公司车床CNC的编程及操作事项。为了保证产品安全、正常与有效地运行工作,请您务必在安装、使用产品前仔细阅读本《用户手册》。产品不断改进,《用户手册》内容不一定能及时更新,由此可能会造成随机配套的《用户手册》与系统部分功能不匹配的现象,敬请谅解!客观提示■本手册描述的产品功能、技术指标(如精度、速度等)仅针对本产品,安装了本产品的数控机床,应视机床制造厂家说明书为准:■当可能由于不熟悉操作本产品会生产一些疑问时,请不要武断下结论,望客观分析,并给我们提出疑问!■当您想按自己意愿或其它操作方法来操作本产品时可能会事与愿违!请不要“很奇怪!不管用!”,其实您需要认真阅读本手册!■我们会认真听取一切客观的批评和建议,并综合这些批评和建议进行改进!第1页适用:218系列5-8轴车削系统
请登录后查看评论内容